EasyManua.ls Logo

Denon AVR-2809CI

Denon AVR-2809CI
177 pages
To Next Page IconTo Next Page
To Next Page IconTo Next Page
To Previous Page IconTo Previous Page
To Previous Page IconTo Previous Page
Loading...
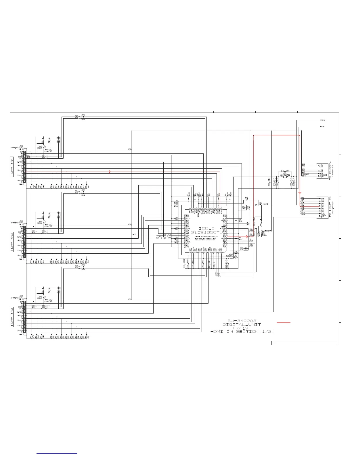
HDMI/TMDS SIGNAL LINE
87654321
A
B
C
D
E
F
SCHEMATIC DIAGRAMS (7/29)
8U-310003 DIGITAL UNIT(7/13)
AVR-2809CI / AVR-2809 / AVR-989 / AVC-2809

Other manuals for Denon AVR-2809CI

Related product manuals