EasyManua.ls Logo

Denon AVR-2809CI

Denon AVR-2809CI
177 pages
To Next Page IconTo Next Page
To Next Page IconTo Next Page
To Previous Page IconTo Previous Page
To Previous Page IconTo Previous Page
Loading...
94
AVR-2809CI / AVR-2809 / AVR-989 / AVC-2809
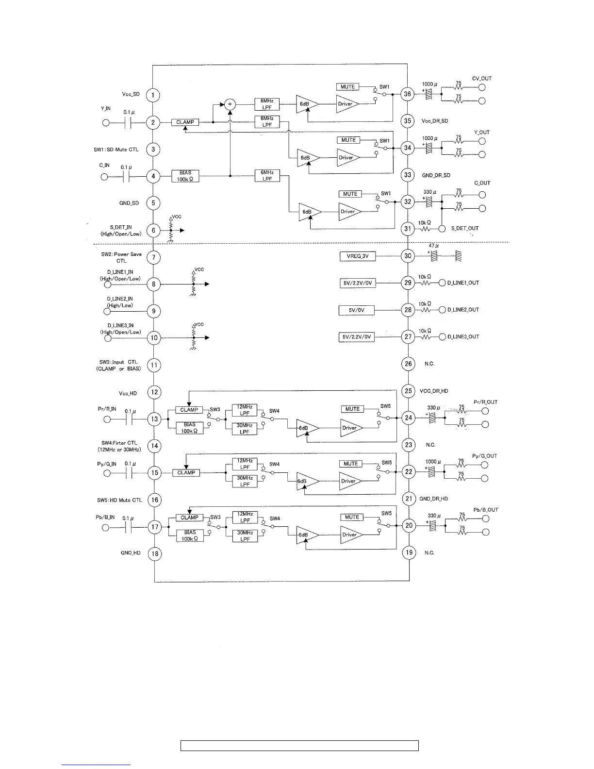
LA73062V (AV : IC305)

Other manuals for Denon AVR-2809CI

Related product manuals