EasyManua.ls Logo

Denon AVR-X6500H

Denon AVR-X6500H
201 pages
To Next Page IconTo Next Page
To Next Page IconTo Next Page
To Previous Page IconTo Previous Page
To Previous Page IconTo Previous Page
Loading...
î™°g.V06b
I2S/DSD_HDMIRX
SPDIF_HDMIRX
I2S_HDMITX
COAX1
COAX2
OPT1
OPT2
SPDIF_Z2HDMI
ADIN_FL
ADIN_FR
Z2DA_L
Z2DA_R
Z3DA_L
Z3DA_R
DENONLinkHD
DA_H2R
DA_H2L
DA_H1R
DA_H1L
DA_SBR
DA_SBL
DA_SR
DA_SL
DA_RSV
DA_SW2
DA_SW1
DA_C
DA_FR
DA_FL
NET_VideoSignal(Clock/HS/VS/DE)
NET_VBUSdata(R:8bit/B:8bit/G:8bit)
Z2NET_ADCINL
Z2NET_ADCINR
I2S/DSD_eARC
SPDIF_eARC
NET_R
NET_L
INPUT
INPUT
OUTPUT
INPUT
INPUT
INPUT
OUTPUT
OUTPUT
OUTPUT
OUTPUT
1 2
1 2
1 2
1 2
1 2
7
6
5
7
6
5
7
6
5
7
6
5
1
3
2
1
3
2
1
3
2
1
3
2
1
3
2
7
6
5
1
3
2
7
6
5
1
3
2
7
6
5
OUTPUT
OUTPUT
OUTPUT
OUTPUT
OUTPUT
OUTPUT
OUTPUT
OUTPUT
OUTPUT
OUTPUT
OUTPUT
OUTPUT
OUTPUT
OUTPUT
1
2
3
1
2
3
1
2
3
OUTPUT
OUTPUT
1
2
3
INPUT
INPUT
1 2
1 2
INPUT
INPUT
OUTPUT
OUTPUT
SDATA
Z2_SPDIF
Z3_SPDIF
Z3DIR_I2S
I2S/DSD_HDMIRX
Z3DAC_I2S
Z3DAC_I2S
Z2DAC_I2S
Z2DAC_I2S
I2S_HDMIRX
DSD_HDMIRX
I2S_NET
DSD_NET
I2S_HDMITX
Z2DIR_I2S
I2S_HDMITX
OPT2
OPT1
COAX2
COAX1
CLK
DIR_I2S
ADCCLK
COAX2
COAX1
OPT1
OPT2
NET_VBUSdata(R:8bit/B:8bit/G:8bit)
NET_VideoSignal(Clock/HS/VS/DE)
DSD_NET
I2S_NET
CLK
DLHD
Z2_SPDIF
Z3_SPDIF
CLK
Z2NET_I2S
Z2NET_I2S
PLLOUT
SPDIF_Z2HDMI
REFCLK
Z2NETDAC_MCLK
I2S_eARC
DSD_eARC
SPDIF_HDMIRX
SPDIF_HDMIRX
I2S/DSD_eARC
SPDIF_eARC
SPDIF_eARC
SPDIF_Z2HDMI
SPDIF_HDMIRX
I2S_NET
I2S_NET
DENON Link HD
Generator Module
ZONE2
Mute Logic
ZONE3
Mute Logic
1/2
Div.
1/4
Div.
1st DSP
ADSP-21487 ADSP-21487
3rd DSP
ADSP-21487
4th DSP
Main ZONE
Mute Logic
Jitter Reducer PLL
CS2100
Main DIR
PCM9211
LC89091JA
ZONE2 DIR
LC89091JA
ZONE3 DIR
DSP1 INPUT MUX
ZONE2 I2S MUX
ZONE3 I2S MUX
MAIN ADC
AK5358B
ZONE2 DAC
PCM5100
ZONE3 DAC
PCM5100
MAIN DAC1
AK4458
MAIN DAC2
AK4458
Audio PLD
5M570ZF256C5N
DSP3 INPUT MUX
DAC INPUT MUX
SDRAM FLASH FLASHSDRAM SDRAM FLASH
fs Assign Sel.
25.0MHz
FCXO-05
to VIDEO BLOCK
to ANALOG AUDIO BLOCK DIAGRAM
Ref clock Sel.
DIGITAL AUDIO BLOCK
FLASH
ADSP-21487
2nd DSP
SDRAM
Input
Coprocessor
Wired Network
Wireless Network
iPod
USB-A
(FRONT)
Netowrk Module
Input
Input
FCXO-05
24.576MHz
DSP_CLK DSP_CLK
ADC_CLK
SDATA
Z2NET_ADCINL
Z2NET_ADCINR
Z2NET_ADCINL
Z2NET_ADCINR
FCXO-05
22.5792MHz
Z2NETADC
Clock Generator
HDMI SPDIF
SELECTOR
NET DAC
PCM5100
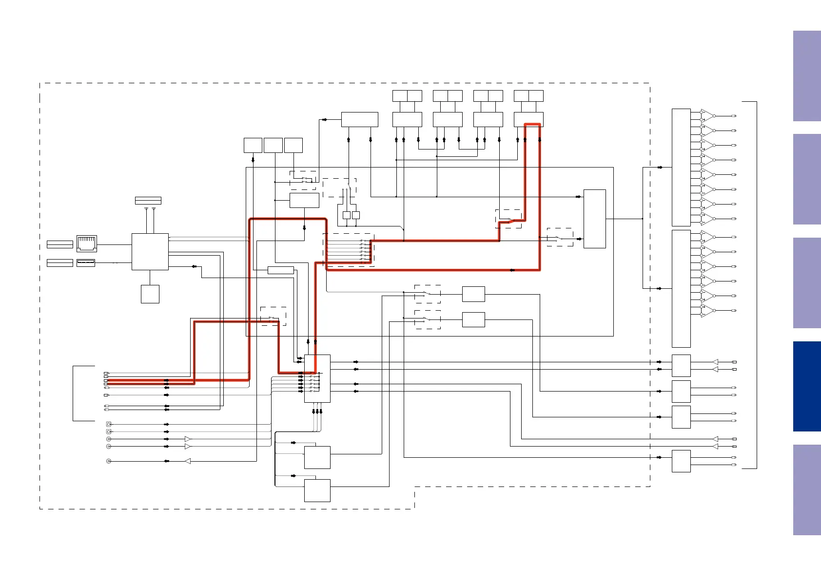
AVR/AVC-X6500H BLOCK DIAGRAM (D.AUDIO)
Before Servicing
This Unit
Electrical Mechanical Repair Information Updating
187

Table of Contents

Other manuals for Denon AVR-X6500H

Related product manuals