EasyManua.ls Logo

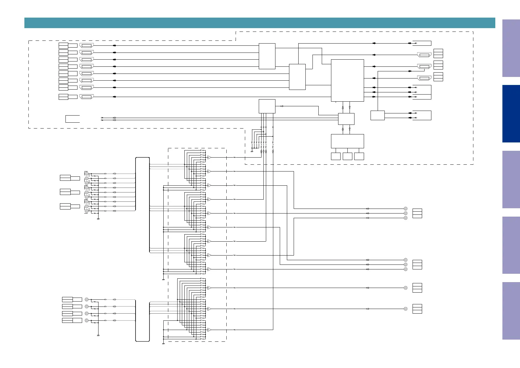
Denon AVR-X6500H - VIDEO DIAGRAM

Denon AVR-X6500H
201 pages
Print Icon
To Next Page IconTo Next Page
To Next Page IconTo Next Page
To Previous Page IconTo Previous Page
To Previous Page IconTo Previous Page
Loading...
VIDEO DIAGRAM
COMPONENT
Cr
Cb
Cr
Cb
Y
Cb
Y
Cr
Y
DVD
AUX2
Zone2 Select
Zone2 Select
ZoNE1 Select
DEC. Select
Zone2 Select
ZoNE1 Select
DEC. Select
DEC. Select
Zone1 Select
INPUT1
COMPOSITE
INPUT
COMPONENT
MONITOR
ZONE1/2
INPUT2
COMPONENT
Cb
Y
Cr
CBL/SAT
DEC Y
DEC Cb
DEC Cr
DEC V
Cr
Y
Cb
ZONE1
MONITOR
CVBS
ZONE2
MONITOR
CVBS
GAME
INPUT
COMPOSITE
INPUT
COMPOSITE
Y_OUT4
Y_OUT2
Y_OUT1
CB_OUT1
CB_OUT2
CB_OUT4
CR_OUT4
CR_OUT2
CR_OUT1
DEC V Select
V_OUT4
AVDM2000
Y_IN1
Y_IN2
Y_IN3
Cb_IN3
Cb_IN1
Cb_IN2
Cr_IN1
Cr_IN2
Cr_IN3
V_IN1
V_IN2
V_IN4
V_IN3
V_IN6
V_IN7
V_IN8
V_IN5
V_IN9
V_OUT3
Z2 V Select
V_OUT2
Z1 V Select
Cr_IN4
Cr_IN5
Cr_IN6
Cb_IN6
Cb_IN4
Cb_IN5
Y_IN6
Y_IN4
Y_IN5
TMDS
TO D.AUDIO (SPDIF)
MONITOR1
HDMI 7
FRONT
HDMI 3
HDMI 4
HDMI 1
TTL
TTL
TMDS
TTL
S.FLASH
128Mbit
HDMI
CD
HDMI 8
ZONE2
INPUT
HDMI 2
from NETWORK
TMDS
TO D.AUDIO (I2S/DSD)
TTL
MONITOR2
TMDS
INPUT
CBL/SAT
HDMI
INPUT
VIDEO PLD
EPM570F256
ARC/eARC
TMDS
Z2 SPDIF
HDMI
INPUT
HDMI 6
HDMI 1
MONITOR1
HDMI 3
VIDEO
DECODER
ADV7180
Blu-ray
to DIGITAL AUDIO
TMDS
FROM D.AUDIO (I2S)
TMDS
INPUT
TMDS
I/P scaler
GUI
ADV8003
TMDS
HDMI 5
TMDS
DVD
DDR2
TMDS
ZONE1
INPUT
TMDS
INPUT
TMDS
GAME
INPUT
HDMI Tx
scaler
MN864787
AUX2
ZONE1
HDMI 2
TMDS
DDR2
to DIGITAL AUDIO
INPUT
COMPOSITE
Blu-ray
Matlix SW1
Rx
MN864788
Matlix SW2
Rx
MN864788
RX0
RX1
RX2
RX3
TX0
TX1
RX0
RX3
RX1
RX2
TX0
TX1
TMDS
RX1
RX0
RX2
RX3
TX0
TX1
DIGITAL VIDEO BLOCK
Media
Player
from DIGITAL AUDIO
OPEN
ARC/eARC
SiI9437
TO D.AUDIO (SPDIF)
TO D.AUDIO (I2S/DSD)
to DIGITAL AUDIO
Media
Player
AVR/AVC-X6500H BLOCK DIAGRAM (VIDEO)
75
75
75
75
6dB
6dB
6dB
6dB
6dB
6dB
6dB
6dB
6dB
10
10
6dB
75
75
75
75
75
10
10
6dB
6dB
SPDIF_Z2HDMI
-
LEGO_VideoSignal(Clock/HS/VS/DE)
-
-
-
-
-
-
-
SPDIF_HDMIRX
-
-
LEGO_VBUSdata(R:8bit/B:8bit/G:8bit)
-
I2S/DSD_HDMIRX
I2S_HDMITX
-
-
-
-
-
-
-
-
-
75
75
75
75
75
75
75
75
75
-
I2S/DSD_ARC
SPDIF_ARC
-
DVD_Y
DVD_Cb
DVD_Cr
DVD_Cb
SAT_Cb
DVD_Cr
SAT_Cr
BD_Cb
DVD_V
SAT_V
BD_Y
DVD_Y
SAT_Y
BD_Cr
VAUX_V
GAME_V
SAT_V
Blu-ray_V
DVD_V
SAT_Cr
SAT_Cb
SAT_Y
BD_Cb
BD_Y
BD_Cr
Blu-ray_V
GAME_V
Before Servicing
This Unit
Electrical Mechanical Repair Information Updating
56

Table of Contents

Other manuals for Denon AVR-X6500H

Related product manuals