EasyManua.ls Logo

Denon DRA-397 - 24 Lc16 B (IC 404) Front P.w.b; Cxa1511 M (IC 201) XM-Ready P.w.b.; Njm2068 (IC 104, 108-113, 120) Input P.w.b.

Denon DRA-397
62 pages
Print Icon
To Next Page IconTo Next Page
To Next Page IconTo Next Page
To Previous Page IconTo Previous Page
To Previous Page IconTo Previous Page
Loading...
16
DRA-397/297/37
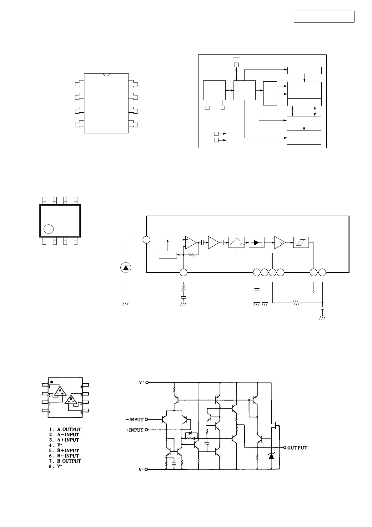
24LC16B (IC 404) FRONT P.W.B
CXA1511M (IC 201) XM-READY P.W.B.
NJM2068 (IC 104, 108-113, 120) INPUT P.W.B.
(IC 209) XM-READY
BLOCK DIAGRAM
24LC16B
A0
A1
A2
V
SS
1
2
3
4
8
7
6
5
V
CC
WP
SCL
SDA
HV GENERATOR
EEPROM
ARRAY
PAGE LATCHES
YDEC
XDEC
SENSE AMP
R/W CONTROL
MEMORY
CONTROL
LOGIC
I/O
CONTROL
LOGIC
WP
SDA SCL
V
CC
VSS
85
1
4
Block Diagram and Pin Configuration
4
6
8
1
2
7
3
5
C1 C2GND fo N.C. V
CC
OUT
470, 680
0.01µ0.01µ
V
CC
=5V
200k
(fo = 40kHz)
Hysteresis
Comparator
Delector &
Comparator
Integralor
BPF
BEF
Limiter
Amp
Head
Amp
IN
Photo
Diode
ABLC

Other manuals for Denon DRA-397

Related product manuals