EasyManua.ls Logo

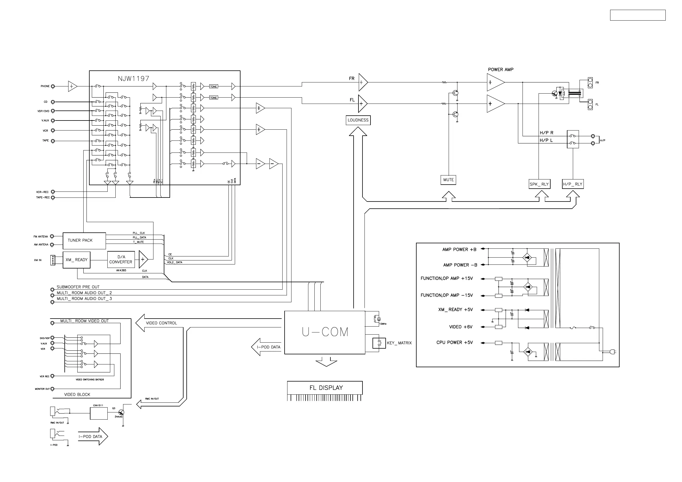
Denon DRA-397 - System Diagrams; Block and Level Diagrams

Denon DRA-397
62 pages
Print Icon
To Next Page IconTo Next Page
To Next Page IconTo Next Page
To Previous Page IconTo Previous Page
To Previous Page IconTo Previous Page
Loading...
4
DRA-397/297/37
BLOCK DIAGRAM
DRA-397 model

Other manuals for Denon DRA-397

Related product manuals