EasyManua.ls Logo

Denon DRA-397 - Page 5

Denon DRA-397
62 pages
Print Icon
To Next Page IconTo Next Page
To Next Page IconTo Next Page
To Previous Page IconTo Previous Page
To Previous Page IconTo Previous Page
Loading...
5
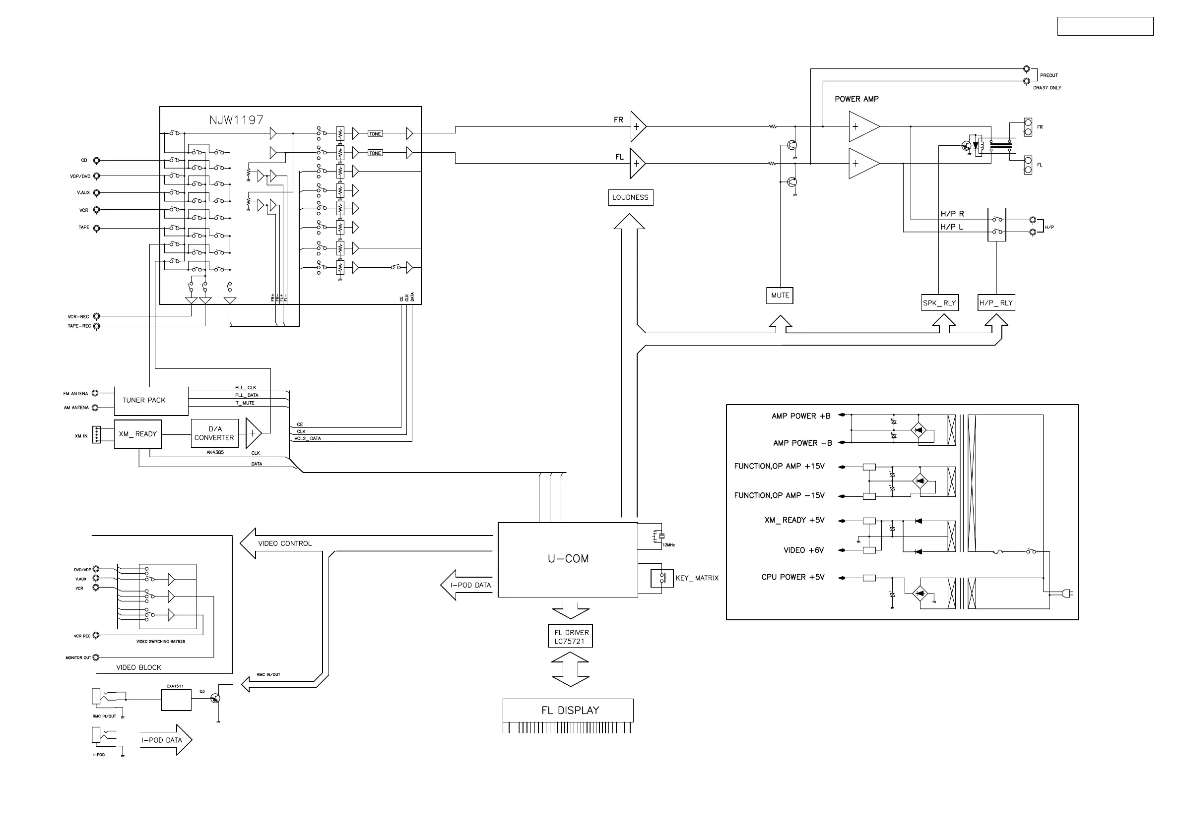
DRA-397/297/37
DRA-297/37 model

Other manuals for Denon DRA-397

Related product manuals