EasyManua.ls Logo

Denyo DCA-25USI - Page 79

Denyo DCA-25USI
90 pages
Print Icon
To Next Page IconTo Next Page
To Next Page IconTo Next Page
To Previous Page IconTo Previous Page
To Previous Page IconTo Previous Page
Loading...
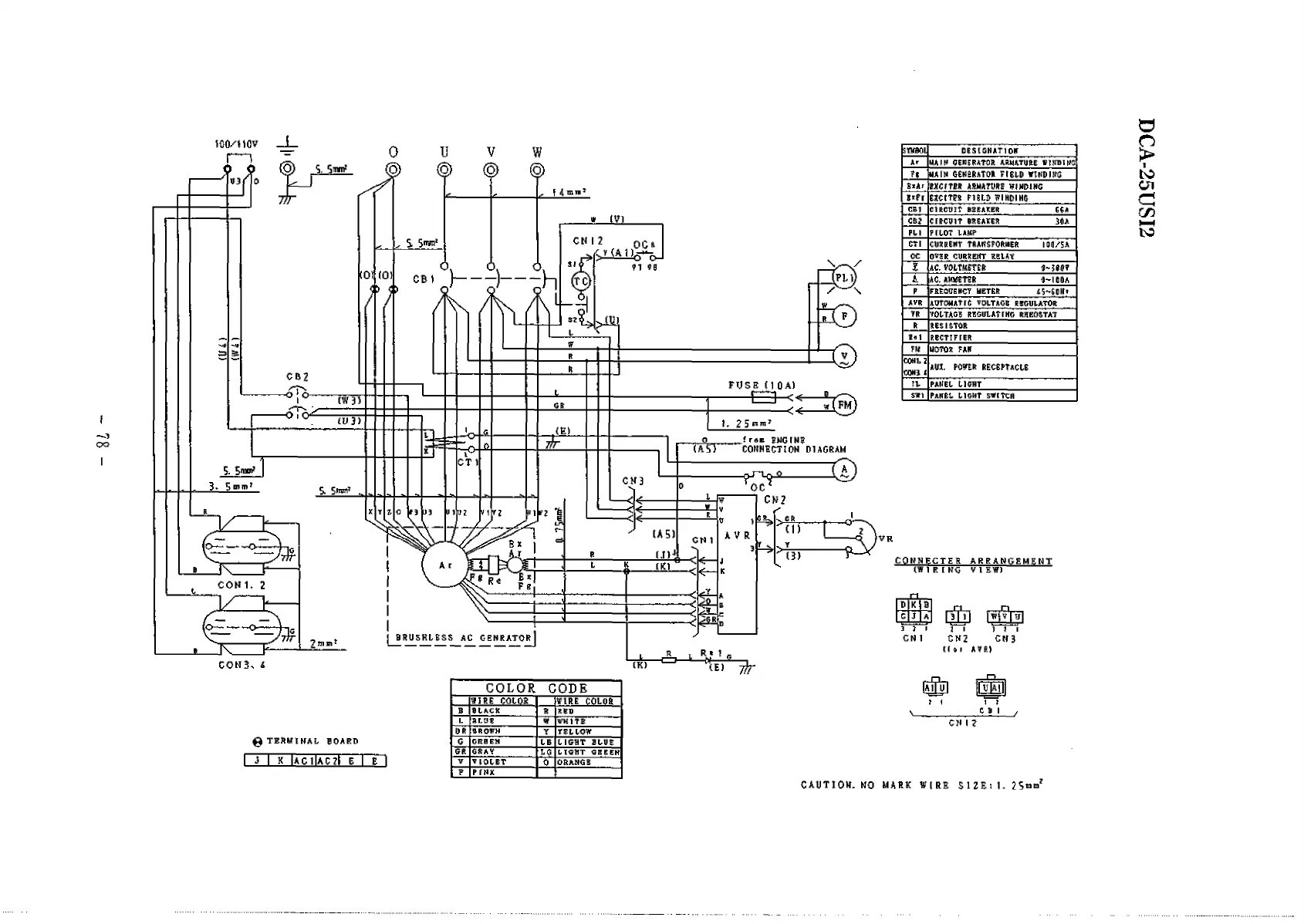
mtKtiov
00
1
сонз, i
(E)' 7 ir
0 TERMIHAL HOARD
I J I К |AC llAC ?l E~1~E
COLOR CODE
W IR E COLOR
T I R E COLO&
в BLA CK R
r e b
L BLUB
W W H ITS
0(t
BROWN
Y YELLO W
0
ORB BN
LB L I G H T BLU E
GA G RAY
LG
L IG H T G REEK
V
V IO L B T
0
ORANGS
P P f Nit
stubol
DES IG NATIO N
Ar
MAIN GENE RATOS ARMATURE WINDING
n
MAIN GENERATOR FIELD WINDING
SiA f
EXCITER ARMATURE WINDING
I i p l
EXCITER FIELD WINDING
CB1
CIR CU IT BBBASER E$ A
свг
CIR CU IT BREAKER
Ш
p l i
PILO T U K P
CTI
CURRENT TRANSFORMER
100/5A
oc
OVER CURRENT RELAY
г
AC, VOLTMETER
fl-JIO ?
£
AC, ALQ6ETER
0-1В0Л
p
FREQUENCY METER A5SDHt
AVR
AUTOMATIC VOLTAGE REGULATOR
YR
VOLTAGE REGULATING RHEOSTAT
Ft
RESISTOR
1<1
RBCTIFIER
FW
MOTOR FAN
COM1.1
ООН} i
AUX, POWER RECEPTACLE
a
PANEL LIG HT
STIl
PANEL LIG HT SWITCH
СОЫ Н ЕСТЕЯ ARR AHlrRMF.HT
(W1 R [ NG VI EW)
W
IL
I jhl l|y1l'j|
3 J I
31
3
j I
C N 1 CN2 CM 3
t ( 4 I AYR)
CN I 7
C A U T I O H . MO M ARK W [ R R S I Z E ; I* 2 S « n ?
DCA-25USI2

Table of Contents

Related product manuals