EasyManua.ls Logo

Detecto 7550 - Initial Unit Configuration

Detecto 7550
22 pages
To Next Page IconTo Next Page
To Next Page IconTo Next Page
To Previous Page IconTo Previous Page
To Previous Page IconTo Previous Page
Loading...
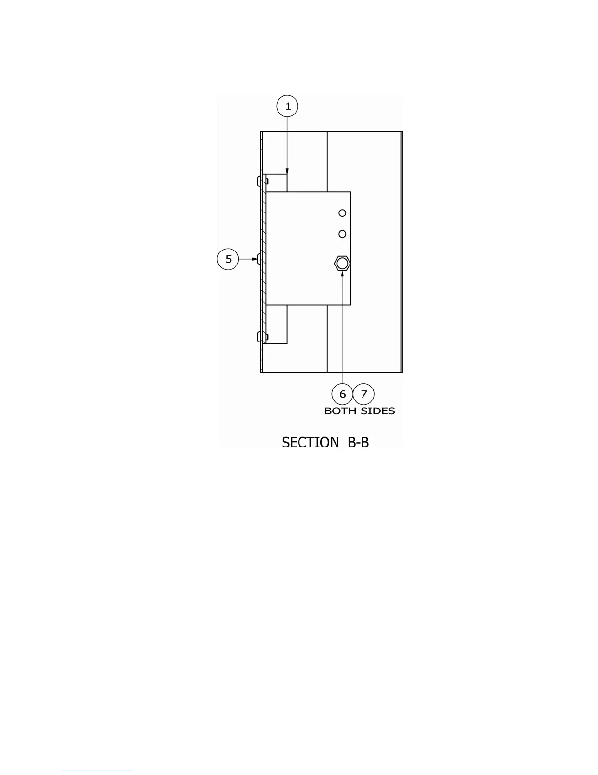
PARTS IDENTIFICATION
FRAME ASSEMBLY, CONT.
ITEM QTY PART DESCRIPTION
1 1 EFT
5 20 6021-2033 ON-HD. CAP-SCREW.. 10-32X.25
6 2 6031-0220 NG, 10 MM DIA, 5/16” - 18
7 AR 6560-1125 42 THRDLCKR, REMOVABLE
NUMBER
0065-C624-0A CYLINDER MOUNT WELDMENT L
SCW BUTT
BALL STUD, GAS SPRI
ADHESIVE LOCTITE 2
0065-0647-0M Rev A 7550 FOLD-UP STATIONARY SCALE
13

Other manuals for Detecto 7550

Related product manuals