EasyManua.ls Logo

DH Instruments PPC2 AF - Page 95

DH Instruments PPC2 AF
148 pages
Print Icon
To Next Page IconTo Next Page
To Next Page IconTo Next Page
To Previous Page IconTo Previous Page
To Previous Page IconTo Previous Page
Loading...
5. MAINTENANCE, ADJUSTMENTS AND CALIBRATION
Page 89 © 1998 DH Instruments, Inc.
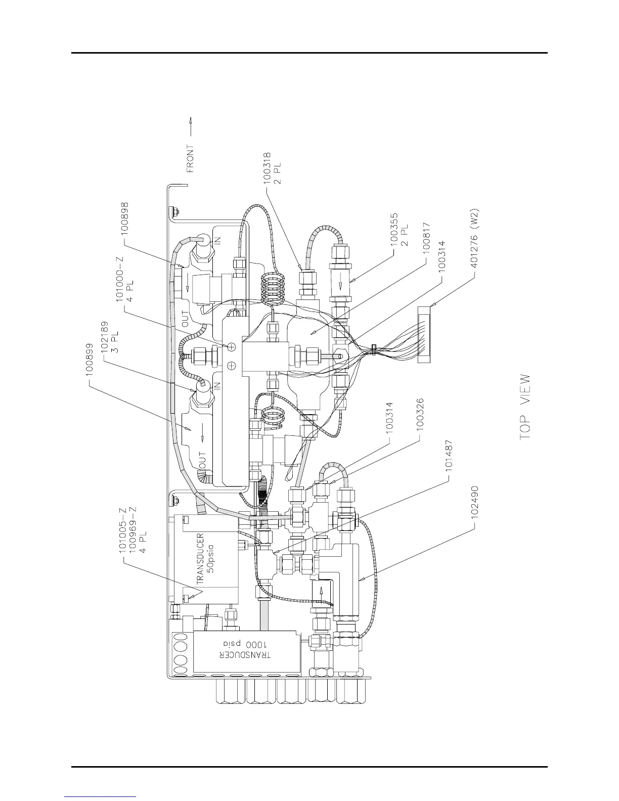
5.1.5.2.3 Pneumatic Schematic (Top View) - Figure 3

Table of Contents