EasyManua.ls Logo

Dimplex CDFI1000-PRO - Cassette Plumbing

Dimplex CDFI1000-PRO
18 pages
Print Icon
To Next Page IconTo Next Page
To Next Page IconTo Next Page
To Previous Page IconTo Previous Page
To Previous Page IconTo Previous Page
Loading...
7
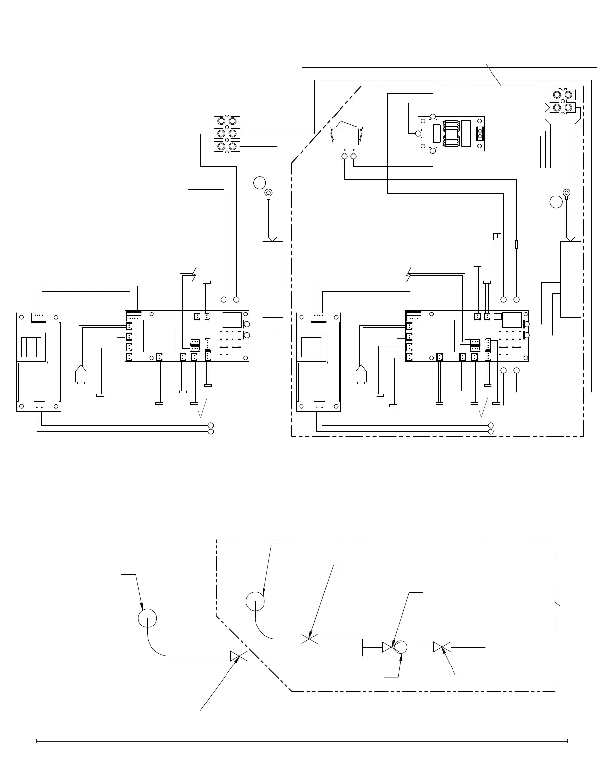
Wiring Diagram
COMMUNICATION LINK
GREEN/YELLOW
N3 L3
SS SS
V+
V-
N
L
N2
L2
SS
SS
V+V-
24v Input
V+
V-
N
L
N1 L1
SS SS
N4
N3 L3
N2 L2
N1 L1
SS
SS
SWITCH
BOARD
RELAY
LED DRIVER BOARD
ELEMENT
2WAY
REED
3WAY
REED
SOLENOID
FILL1
DC FAN
MOTOR
FUELBED
TRANSDUCER 1
BLUE
BROWN
BT
RECEIVER
N2
L2
SS
SS
N1 L1
SS SS
N4
N3 L3
N2 L2
N1 L1
V+V-
SS
SS
SWITCH
BOARD
SOLENOID
MAIN
RELAY
LED DRIVER BOARD
ELEMENT
SS SS
2WAY
REED
3WAY
REED
SOLENOID
FILL1
SPEAKER
DC FAN
MOTOR
FUELBED
TRANSDUCER 1
24v Input
SS
SS
SS
WHITE
BLACK
FILL CAP 2
WATER SUPPLY IN
INLET SOLENOIND VALVE
STOP VALVE
SOLENOIND VALVE 1
(SV IN)
SOLENOIND VALVE 2
(SV F1)
(SV F2)
FILL CAP 1
FILTER
CDFI500
Water Flow Diagram
CDFI500
(BALL VALVE)
level sensor
level sensor
optional 2nd
transudcer
optional 2nd
transudcer
Fuse wire

Other manuals for Dimplex CDFI1000-PRO

Related product manuals