EasyManua.ls Logo

Dometic B2600 - Page 120

Dometic B2600
334 pages
Print Icon
To Next Page IconTo Next Page
To Next Page IconTo Next Page
To Previous Page IconTo Previous Page
To Previous Page IconTo Previous Page
Loading...
28
manuel d’utilisation
F
B1600 - B1600PLUS - B2200 - B2600
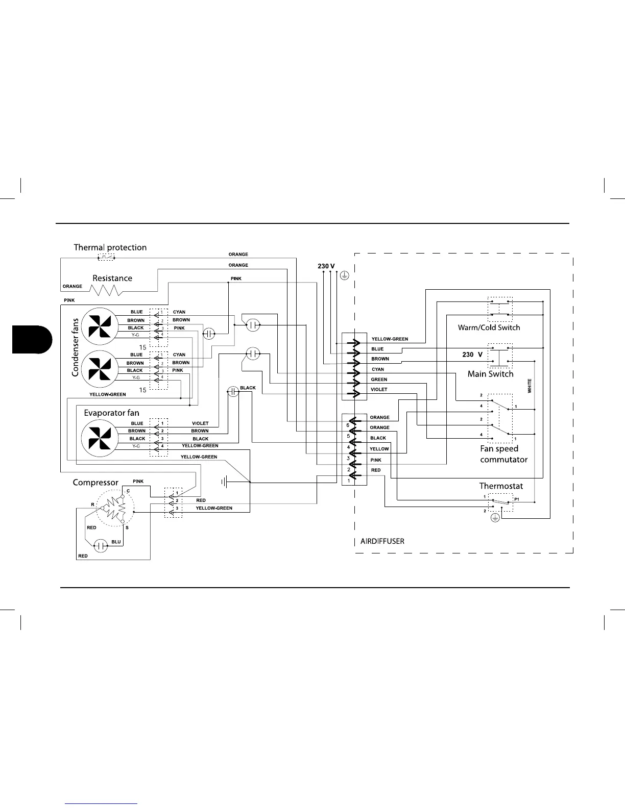
SCHEMA ELECTRIQUE B1600
(Rev. 04)
V'
V'
V'
V'
V'
1
2
3
4
5
6

Table of Contents

Related product manuals