EasyManua.ls Logo

Dometic tec 30d ev - Attached Documents; Wiring Diagram

Dometic tec 30d ev
51 pages
Print Icon
To Next Page IconTo Next Page
To Next Page IconTo Next Page
To Previous Page IconTo Previous Page
To Previous Page IconTo Previous Page
Loading...
- 46 - Use, maintenance and installation instructions
TEC 30D EV
GB
ATTACHED DOCUMENTS
WIRING DIAGRAM
6
5
4
3
2
1
6
5
4
3
2
1
1
2
6
5
4
3
2
1
6
5
4
3
2
1
12
987
654
321
4
5
5
6
1
2
3
4
9
12
13456
2
1
1
3
6
4
1
2
3
4
3596184
5
4
3
5
6
21
2
3
4
5
6
7
8
9
10
1
10
1
2
3
4
7
8
9
12
11
987
654
321
-
+
P
M
12
3
2
VIOLET
PINK
RED
GREY
WHITE
BLUE
GREEN
BROWN
YELLOW
BLACK
VIOLET
PINK
RED
GREY
WHITE
BLUE
GREEN
BROWN
YELLOW
BLACK
RED
RED
WHITE
WHITE
WHITE
RED
RED
RED
RED
BLACK
GREY
BLACK
BLUE
BLUE
ORANGE
BLACK
ORANGE
YELLOW
WHITE
VIOLET
ORANGE
RED
BLACK
RED
BLACK
GREY
BLACK
ORANGE
WHITE
YELLOW
BLACK
ORANGE
RED
ORANGE
VIOLET
21
1310815
5
5
9
27
24
4
17
14
22
18 26
25
12
16
23
11
7
20
19
6
1
2
3
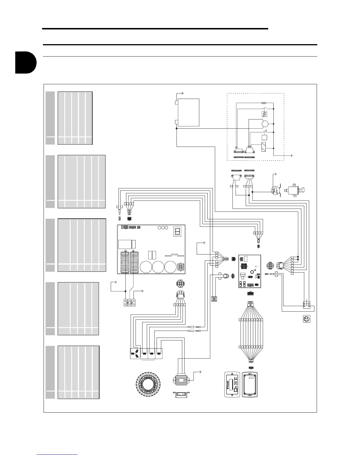
Description.
1 Three phase coil
2 Auxiliary coil
3 Auxiliary coil
4 Inverter module
5 6 pin connector
6 Battery charger
7
Emergency
switch 0/1
8
Pressure switch
9
Fuel pump
10
Starter motor
11 9 pin connector
Description.
12
Internal
control panel
13
Thermal cutout
14 9 pin connector
15
Electrostop
16
10 pole connector
17
Terminal board
Description.
18 2 pin connector
19
Cabin control
panel
20
12 pin connector
21
Battery
22 Terminal board
23 2 pole connector
Description.
24 Auxiliary connector
25 4 pin connector
26 6 pin connector
27 2 pole connector
28 2 pin connector
Description.

Table of Contents

Related product manuals