EasyManua.ls Logo

Dormakaba BTS80 EMB/D - Templates; Top Pivot Template

Dormakaba BTS80 EMB/D
10 pages
Print Icon
To Next Page IconTo Next Page
To Next Page IconTo Next Page
To Previous Page IconTo Previous Page
To Previous Page IconTo Previous Page
Loading...
dormakaba BTS80 EMB/D,E,F Installation Instructions
08059411 03-2021BTS80 EMB Closers
5
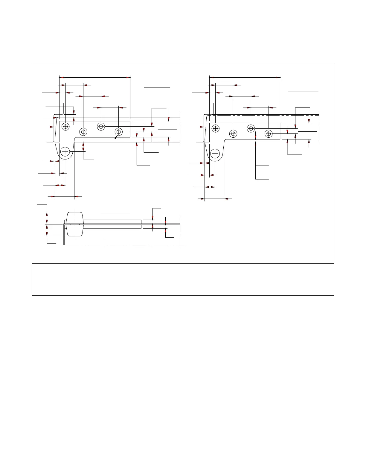
Templates
Fig.
. Top pivot template
2 Templates
NOTES:
1. Do not scale drawing.
2. Dimensions are in inches/[mm]
3. Right hand door shown.
4. Bevel heel edge of door 1/8” in 2”.
5. All necessary reinforcing for pivot by others.
6. Flush door portion shown.
For 1/4-20 machine screws use No.7
drill.
For No.14 wood screws use 5/32” drill.
Four (4) holes each in door and frame.
Frame Leaf
Min.
clearance
Clearance
3/4”
[19]
Frame
OR
For flush door and frame
For 1/8” inset door
11/32”
[9]
1-5/32”
[29]
1-5/32”
[29]
4-1/4”
[108]
1-5/32”
[29]
25/64”
[10]
1-1/16”
[27]
23/64”
[9]
3/16”
[5]
1/3/8”
[35]
3/4”
[19]
5/16”
[8]
1/16”
[2]
3/16” R.
11/32”
[9]
1-5/32”
[29]
1-5/32”
[29]
1/16”
[2]
25/64”
[10]
1-5/32”
[29]
4-1/4”
[108]
1-1/16”
[27]
23/64”
[9]
3/16”
[5]
5/16”
[8]
1/3/8”
[35]
3/4”
[19]
5/16”
[8]
1/16”
[2]
Clearance
Frame
Door Leaf
Door Leaf
Frame Leaf
3/4”
[19]
3/4”
[19]
1/4”
[19]
1/4”
[19]
ITEM No. [75120, 75122, 75130, 75133, 75120A, 75122A, 75133A (DOOR FLUSH
WITH FRAME) NON-HANDED], [75120 5/8, 75122 5/8, 75133 5/8, 75120A 5/8,
75122A 5/8, 75133A 5/8 (DOOR INSET 1/8” FROM FRAME) HANDED]
3/4” OFFSET FULL MORTISE TOP PIVOT
BTS-65

Related product manuals