EasyManua.ls Logo

Dormakaba BTS80 EMB/D - Cement Case Template

Dormakaba BTS80 EMB/D
10 pages
Print Icon
To Next Page IconTo Next Page
To Next Page IconTo Next Page
To Previous Page IconTo Previous Page
To Previous Page IconTo Previous Page
Loading...
dormakaba BTS80 EMB/D,E,F Installation Instructions
08059411 03-2021BTS80 EMB Closers
7
Templates
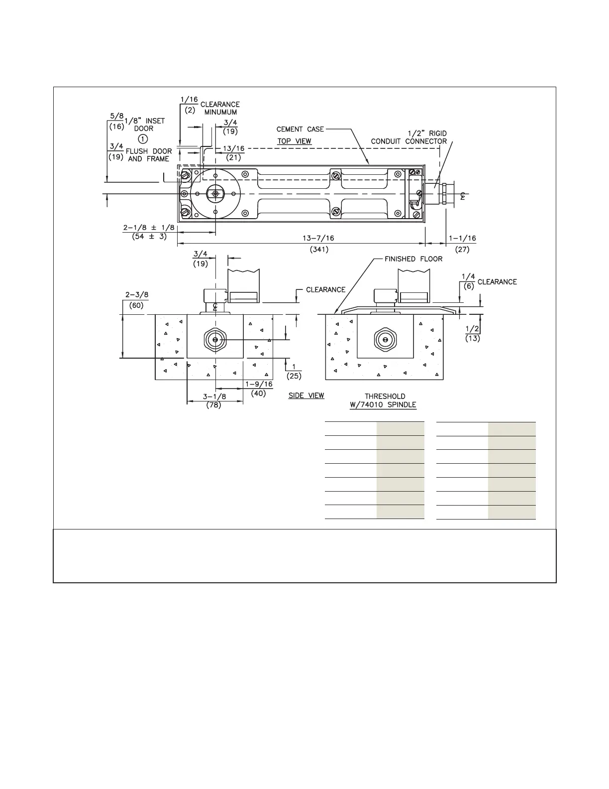
. Cement case template
Fig.
NOTES:
1. Do not scale drawing.
2. Top of cement case must be flush with finish floor line.
3. Cememt case must be level and parallel to frame.
4. Install cement case with closer centered in case.
5. 1/2” rigid conduit by others.
6. 1/8” inset installation shown.
7. Dimensions are in inches/[mm].
Spindle no. Clearance
74003 5/16”
74005 1/2”
74007 5/8”
(std) 74010 3/4”
74012 13/16”
74015 7/8”
74020 1-1/8”
74025 1-5/16”
74030 1-1/2”
74035 1-11/16”
74040 1-7/8”
74045 2-1/16”
74050 2-5/16”
FLOOR CLOSER MODELS: BTS 80EMB/D, BTS 80EMB/E, BTS 80EMB/F AND
BTS 80EMB/L 3/4” OFFSET
CEMENT CASE PLACEMENT
BTS-58

Related product manuals