EasyManua.ls Logo

Dormakaba RAC5 MFC - Page 34

Dormakaba RAC5 MFC
35 pages
Print Icon
To Next Page IconTo Next Page
To Next Page IconTo Next Page
To Previous Page IconTo Previous Page
To Previous Page IconTo Previous Page
Loading...
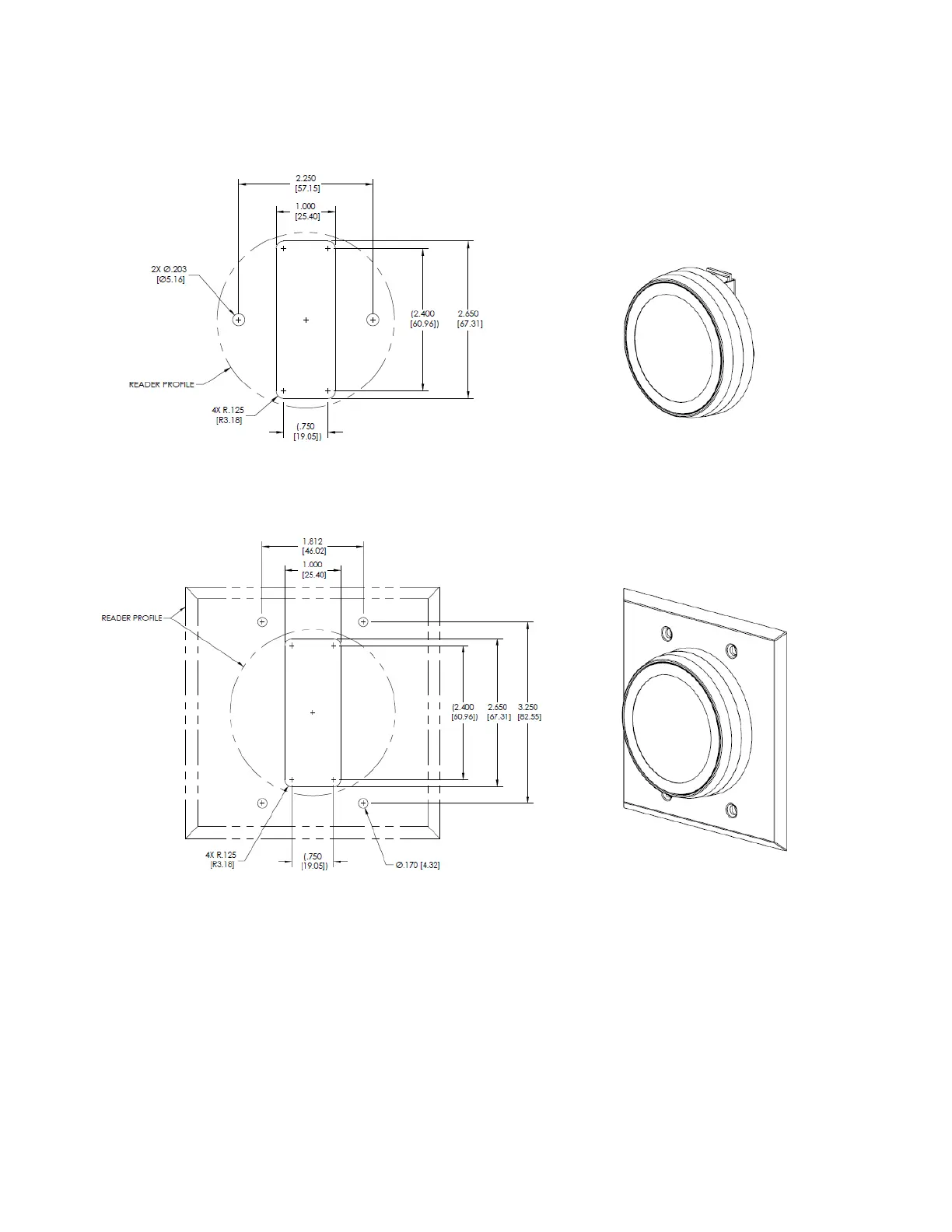
06-2023 dormakaba Canada Inc. RAC5 MFC Installation Guide PK3738 | 33
ROUND READER WITH TRIM PLATE REMOVED
ROUND READER WITH TRIM PLATE
ROUND READER FOR DIRECT PANEL MOUNT PREP
ROUND READER WITH TRIM PLATE PREP