EasyManua.ls Logo

DR 18 HP - Schematic - 19 HP Control Panel Assembly

DR 18 HP
64 pages
Print Icon
To Next Page IconTo Next Page
To Next Page IconTo Next Page
To Previous Page IconTo Previous Page
To Previous Page IconTo Previous Page
Loading...
CALL TOLL FREE 1-800-DR-OWNER 55
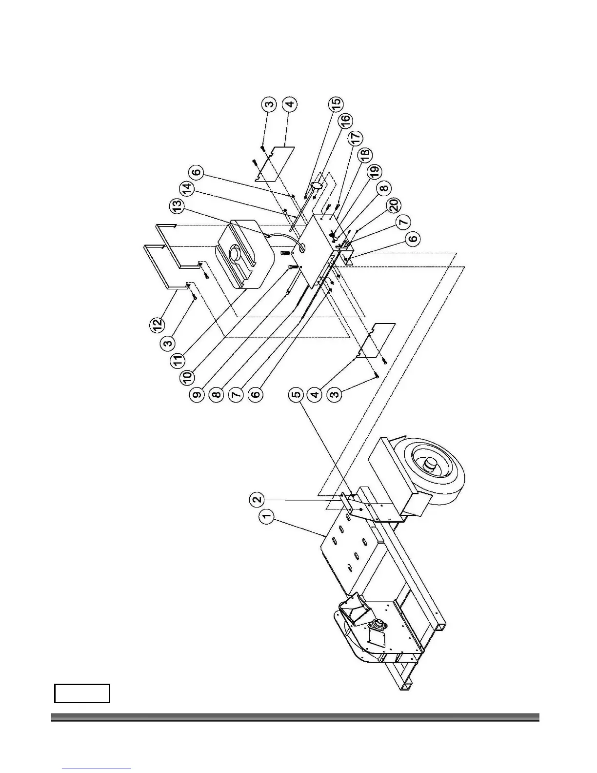
Schematic - 19 HP Control Panel Assembly
060103

Table of Contents

Related product manuals