EasyManua.ls Logo

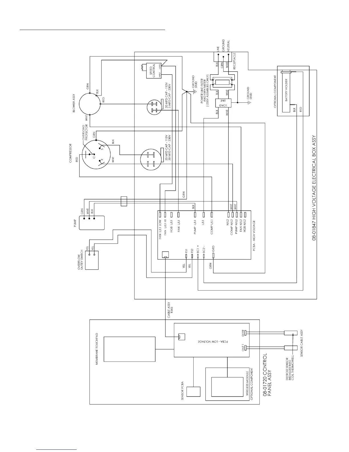
Dri-Eaz LGR 7000XLI - Electrical Schematic

Dri-Eaz LGR 7000XLI
63 pages
Print Icon
To Previous Page IconTo Previous Page
To Previous Page IconTo Previous Page
Loading...
ELECTRICAL SCHEMATIC
07-01776F 2015-02 F412 (115V) Warranty 07-00420 63 Dri-Eaz Products, Inc.

Other manuals for Dri-Eaz LGR 7000XLI

Related product manuals