EasyManua.ls Logo

DSE DSE7210 - DSENET Arrangement for Expansion Modules

DSE DSE7210
160 pages
Print Icon
To Next Page IconTo Next Page
To Next Page IconTo Next Page
To Previous Page IconTo Previous Page
To Previous Page IconTo Previous Page
Loading...
DSE7200 / 7300 Series Operators Manual
57
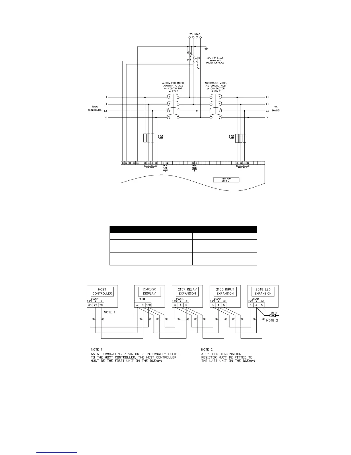
4.5 TYPICAL ARRANGEMENT OF DSENET®
A total of twenty (20) devices can be connected to the DSENet®, made up of the following devices :
Device Max number supported
DSE2130 Input Expansion 4
DSE2157 Output Expansion 10
DSE2548 LED Expansion 10
DSE2510 Display for DSE7310 3
DSE2520 Display for DSE7320 3

Table of Contents

Related product manuals