EasyManua.ls Logo

Ducati MULTISTRADA 1260 - Page 50

Ducati MULTISTRADA 1260
393 pages
Print Icon
To Next Page IconTo Next Page
To Next Page IconTo Next Page
To Previous Page IconTo Previous Page
To Previous Page IconTo Previous Page
Loading...
HIGH
2
10:22
2538
LO
DQS
DTC 5
UP/DW
3
3
ABS
DWC
URBAN
P.M.
GEAR
Km
°C
TOT
Km / h
2 1
SET
60
SKIP
PAUSE
TRACK 01 - U2...
EXIT
ACCEPT
DECLINE
>>> MARIO ROSSI
13
3 410
7
9
6
8
2
1
11
12 15 21 17
5
14
18
16
20
19
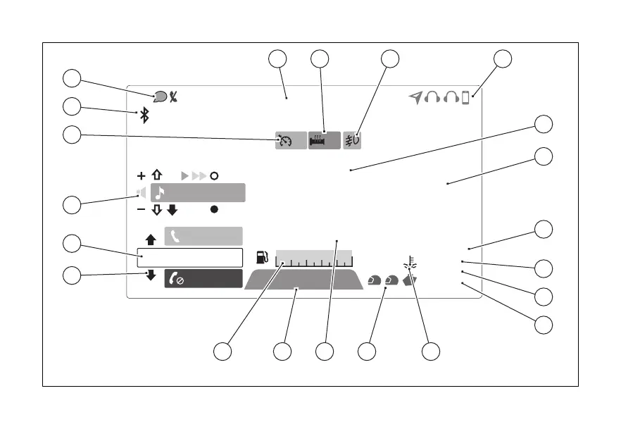
Fig. 13
49

Table of Contents

Related product manuals