EasyManua.ls Logo

Dunkirk DCB-125 - 205 With Zone Valves - Piping Diagram

Dunkirk DCB-125
139 pages
Print Icon
To Next Page IconTo Next Page
To Next Page IconTo Next Page
To Previous Page IconTo Previous Page
To Previous Page IconTo Previous Page
Loading...
22
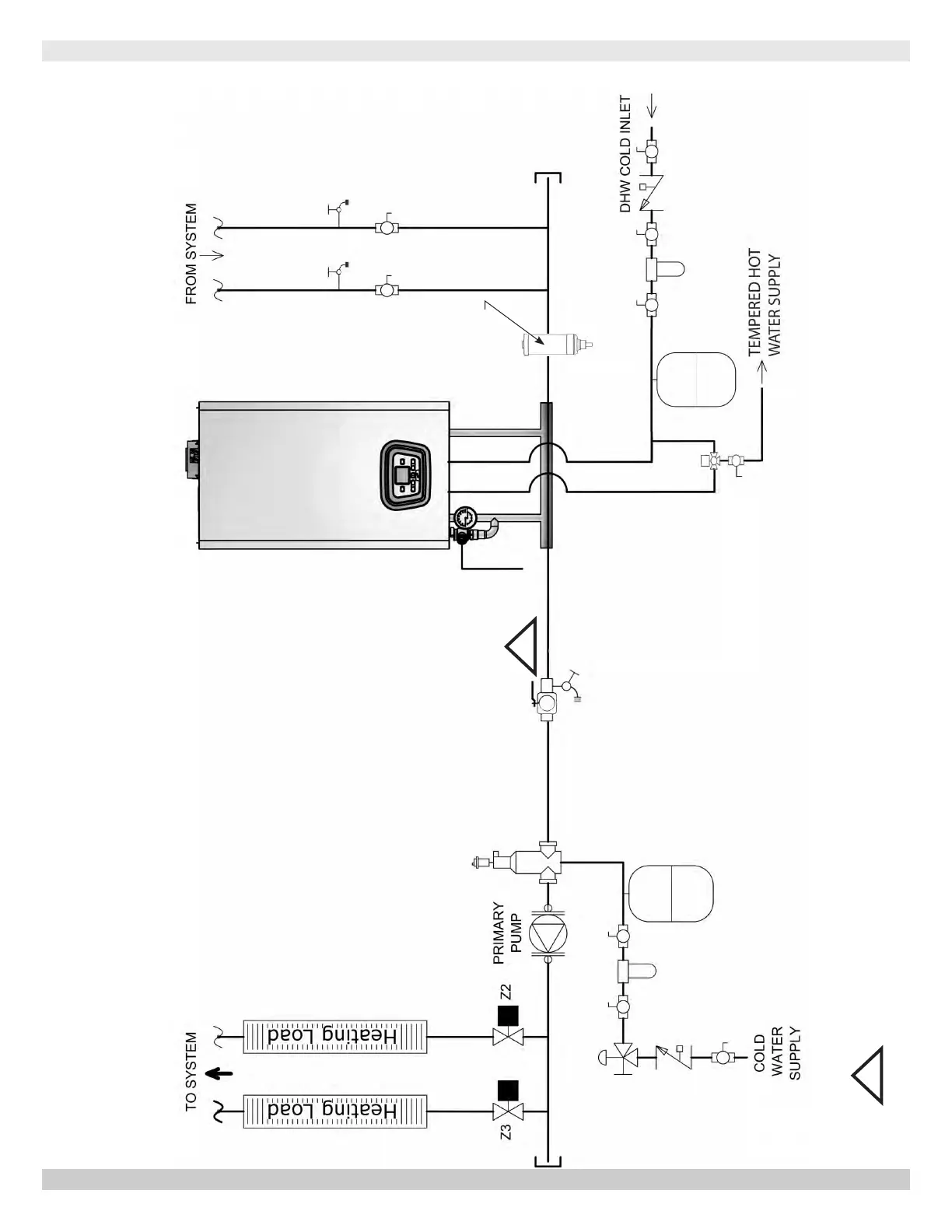
115, 150 & 205 WITH ZONE VALVES
115, 150 & 205 WITH ZONE VALVES - PIPING DIAGRAM
MAGNETIC DIRT
SEPARATOR
1
Shut off
& Purge
Valve
1
Locate shut off valve after
any field installed LWCO.
PN 240011430 REV. O [07/01/2021]

Table of Contents

Other manuals for Dunkirk DCB-125

Related product manuals