EasyManua.ls Logo

Dunkirk DCB-125 - With Zone Valves, DHW Tank W;Sensor - Wiring Diagram

Dunkirk DCB-125
139 pages
Print Icon
To Next Page IconTo Next Page
To Next Page IconTo Next Page
To Previous Page IconTo Previous Page
To Previous Page IconTo Previous Page
Loading...
14
ZONE 1
LINE
24V
Vac
L
C
R
115 Vac
NL
1
N
115
COM
Vac
ZRZC
NL
3
NL
2
115 Vac
N
L
1
L
N
ZONE CIRCULATORS
XXXXX
32
1
X
NEC Class 2 Low Voltage
ZONE 3
ZONE 2
ZONE 1
W
R
NEC Class 2 Low Voltage
T
T
C
THERMOSTATS
ZONE VALVES
ZONE 3ZONE 2
43214321432
1
NEC Class 2 Low Voltage (24Vac)
W
R
T
T
C
W
R
T
T
C
PRI PUMP
ZC/ZR
DIGITAL LCD USER DISPLAY
Fuse
ZONE MODULE
TO EXPANSION
Transformer
PTC
12A 250V
115 Vac FIELD SUPPLIED
POWER PER NEC
AND LOCAL CODES
PRIMARY
PUMP
ZONE
THERMOSTATS
ZONE VALVES
VANNES DE ZONE
4 Wire Valve 3 Wire Valve
12 34 12 3
Domestic Hot
Water Tank
w/Sensor
12345678910
VAC
24
M2
M2 terminal strip on boiler
G
*
100, 125
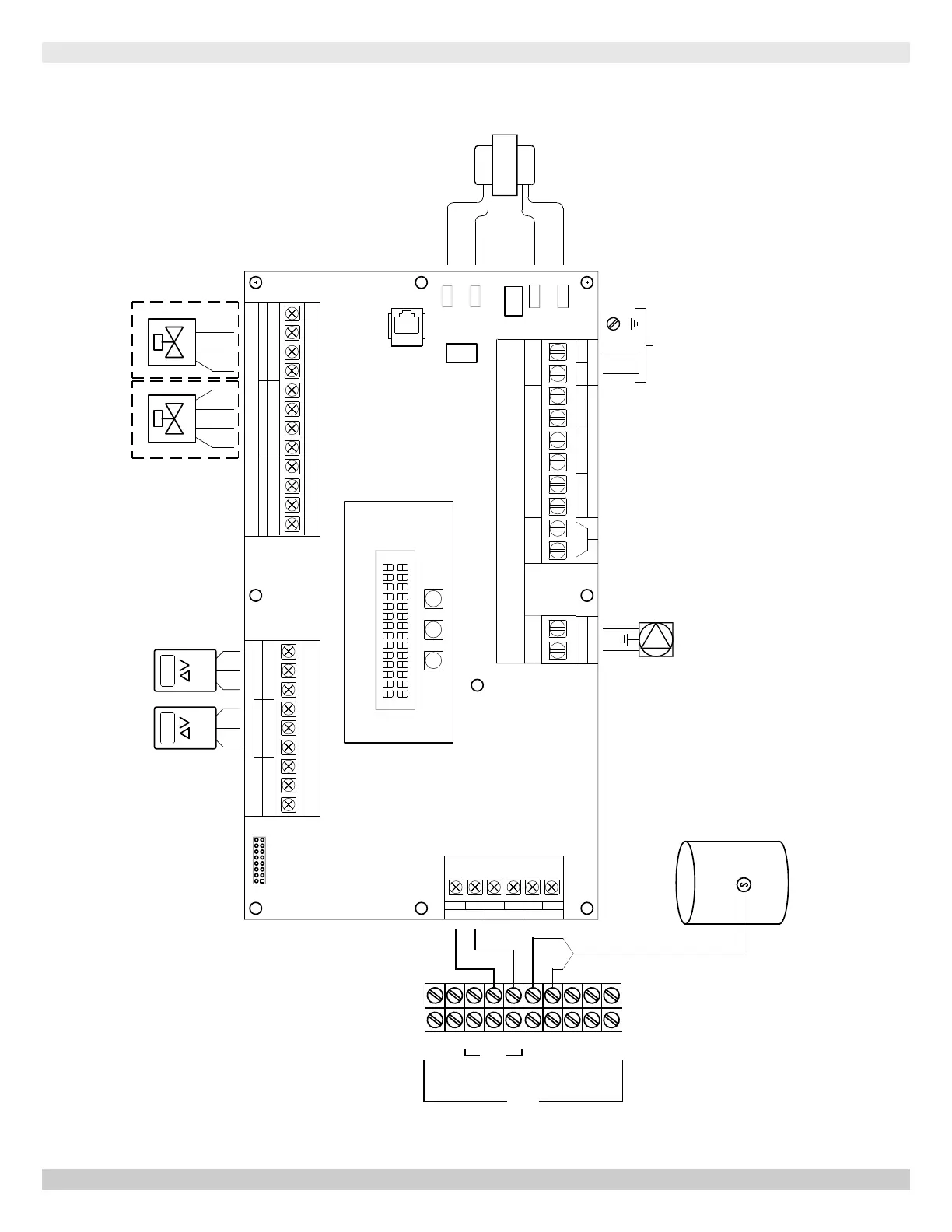
WITH ZONE VALVES,
DHW
TANK W/SENSOR - - WIRING DI
AGRAM
100 & 125 WITH ZONE VALVES,
DHW
TANK W/ SENSOR, ARGO UZ3 ZONE CONTROL
If adding an indirect tank with sensor to a Heating
Only Boiler, change P03 from 08 to 05.
See Section 9, Parameter Settings in Boiler
Installation, Operation & Maintenance Manual for
details.
Reference zone control
manufacturer instructions for
details on setting priority if
necessary.
UZ3
PN 240011430 REV. O [07/01/2021]

Table of Contents

Other manuals for Dunkirk DCB-125

Related product manuals