EasyManua.ls Logo

Dunkirk DCB-125 - Page 80

Dunkirk DCB-125
139 pages
Print Icon
To Next Page IconTo Next Page
To Next Page IconTo Next Page
To Previous Page IconTo Previous Page
To Previous Page IconTo Previous Page
Loading...
76
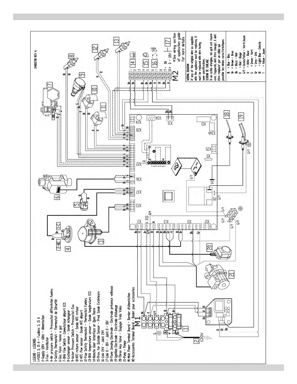
APPENDIX A - WIRING DIAGRAMS
A-4 MODEL 150 - Combi
240013360
REV A [07/01/2021]

Table of Contents

Other manuals for Dunkirk DCB-125

Related product manuals