EasyManua.ls Logo

Dunkirk DCC-150 - Page 121

Dunkirk DCC-150
139 pages
Print Icon
To Next Page IconTo Next Page
To Next Page IconTo Next Page
To Previous Page IconTo Previous Page
To Previous Page IconTo Previous Page
Loading...
37
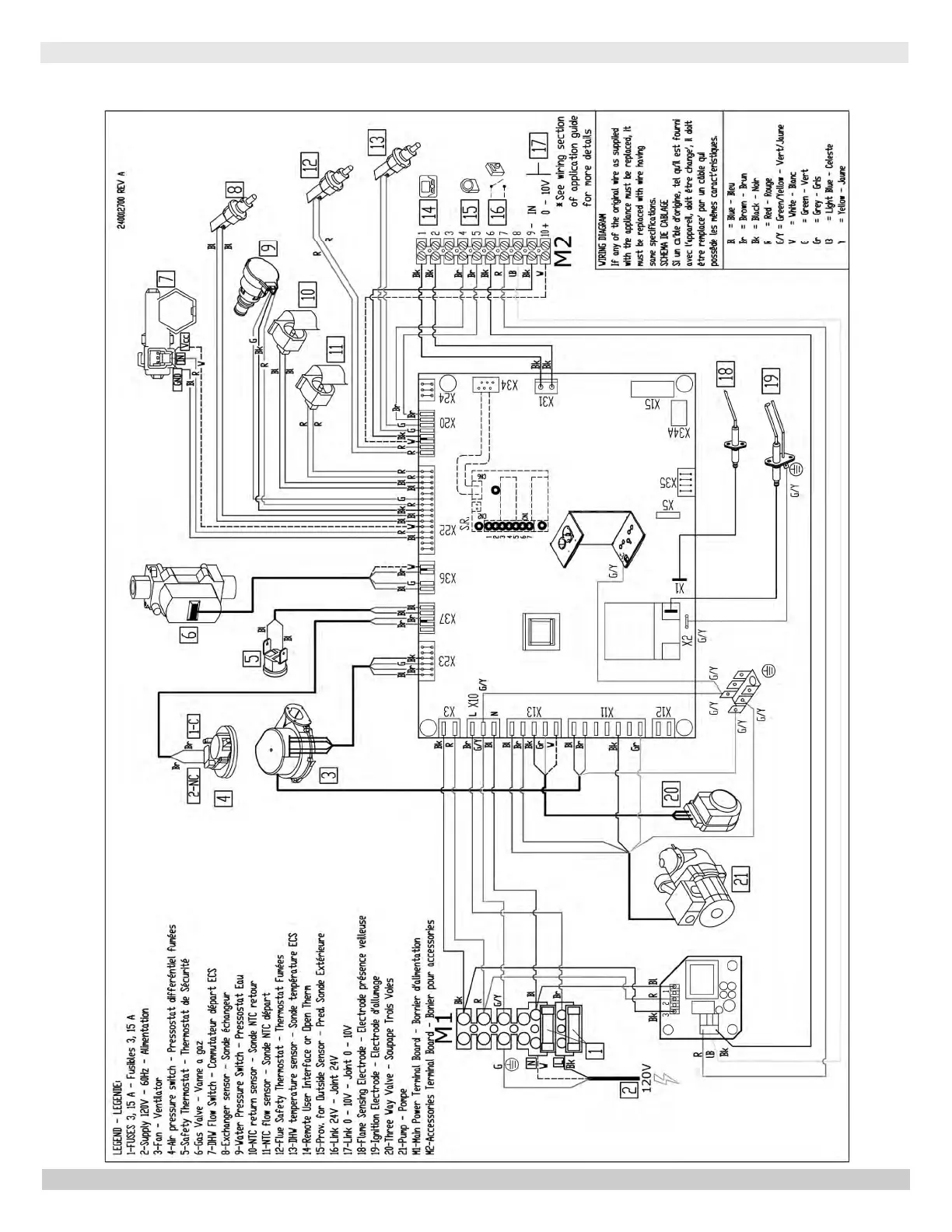
MODEL 150 - Combi
150 - COMBI WIRING DIAGRAM
PN 240011430 REV. O [07/01/2021]

Table of Contents

Other manuals for Dunkirk DCC-150

Related product manuals