EasyManua.ls Logo

Dunkirk DCC-150 - Page 81

Dunkirk DCC-150
139 pages
Print Icon
To Next Page IconTo Next Page
To Next Page IconTo Next Page
To Previous Page IconTo Previous Page
To Previous Page IconTo Previous Page
Loading...
77
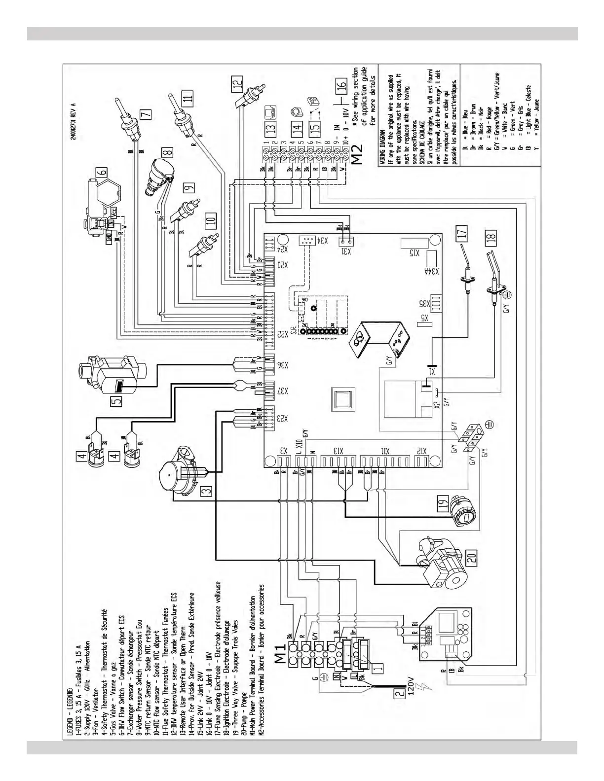
APPENDIX A - WIRING DIAGRAMS
A-5 MODEL 205 - Combi
240013360
REV A [07/01/2021]

Table of Contents

Other manuals for Dunkirk DCC-150

Related product manuals