EasyManua.ls Logo

Dunkirk DKVLT-050 - Page 66

Dunkirk DKVLT-050
84 pages
Print Icon
To Next Page IconTo Next Page
To Next Page IconTo Next Page
To Previous Page IconTo Previous Page
To Previous Page IconTo Previous Page
Loading...
66
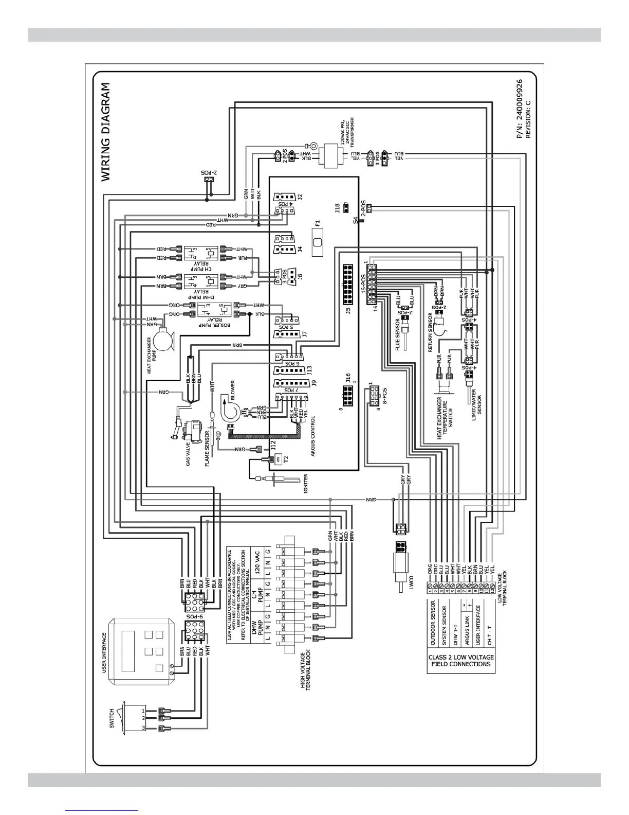
14 - WIRING DIAGRAM
14.3 Connection Diagram - 299 MBH
EXTERNAL PUMP
RELAY - LIMIT OF
1 AMP PER PUMP
SEE SECTION 8

Related product manuals