EasyManua.ls Logo

Dunkirk DKVLT-050 - Page 67

Dunkirk DKVLT-050
84 pages
Print Icon
To Next Page IconTo Next Page
To Next Page IconTo Next Page
To Previous Page IconTo Previous Page
To Previous Page IconTo Previous Page
Loading...
67
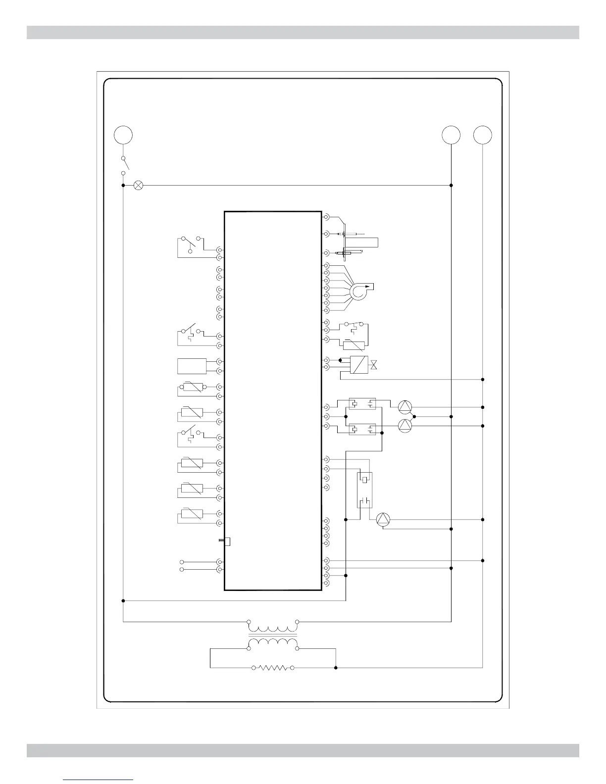
14 - WIRING DIAGRAM
14.4 Schematic Diagram of Ladder Form - 299 MBH
LADDER DIAGRAM
LIGHTED
POWER
SWITCH
J5-2
J5-11
J5-3
J5-12
J5-4
J5-13
J5-5
J5-14
J5-6
J5-15
J5-7
J5-16
J5-8
S4
J18-1
J18-2
J16-1
J16-4
J16-8
J16-7
J16-3
J16-2
J12
T2
J13-2
J9-1
J9-2
J9-6
J9-7
J9-5
J9-4
J9-3
J13-5
J13-6
J13-3
J13-4
J7-4
J7-2
J7-1
J7-3
J6-1
J6-3
J6-2
J4-1
J4-2
J4-3
J4-4
J2-1
J2-2
J2-3
J2-4
J13-1
N
L
N
L
L
DHW PUMP
120 VAC
GAS VALVE
FAN
120VAC
PE
DC+/L
+
DATA/PWM
HALL
GND
DC-/N
GROUND
FLAME SENSOR
IGNITION
LWCO
CH
THERMOSTAT
USER
INTERFACE
DISPLAY
ARGUS LINK /
MULTI BOILER
(OPTIONAL)
ARGUS LINK
POWER
ON
OFF
SUPPLY
SENSOR
RETURN
SENSOR
DHW
THERMOSTAT
FLUE
SENSOR
OUTDOOR
SENSOR
SYSTEM
SENSOR
(OPTIONAL)
L
L
N
G
NG
ARGUS
CONTROL
J5-9
J5-1
J5-10
J16-5
J16-6
LIMIT
120V / 24V, 15VA
TRANSFORMER
LWCO
24 VAC
12
43
4
2
13
BURNER
G
CH PUMP
120 VAC
HEAT EXCHANGER
TEMPERATURE SWITCH
43
1
HEAT EXCHANGER PUMP
RELAY 120 VAC
5
L
N
HEAT EXCHANGER
PUMP 120 VAC
G
N
G
G
L
L
L
L
DHW PUMP
RELAY 120VAC
CH PUMP
RELAY 120VAC

Related product manuals