EasyManua.ls Logo

Dunkirk DKVLT-050 - 14 Wiring Diagram

Dunkirk DKVLT-050
84 pages
Print Icon
To Next Page IconTo Next Page
To Next Page IconTo Next Page
To Previous Page IconTo Previous Page
To Previous Page IconTo Previous Page
Loading...
65
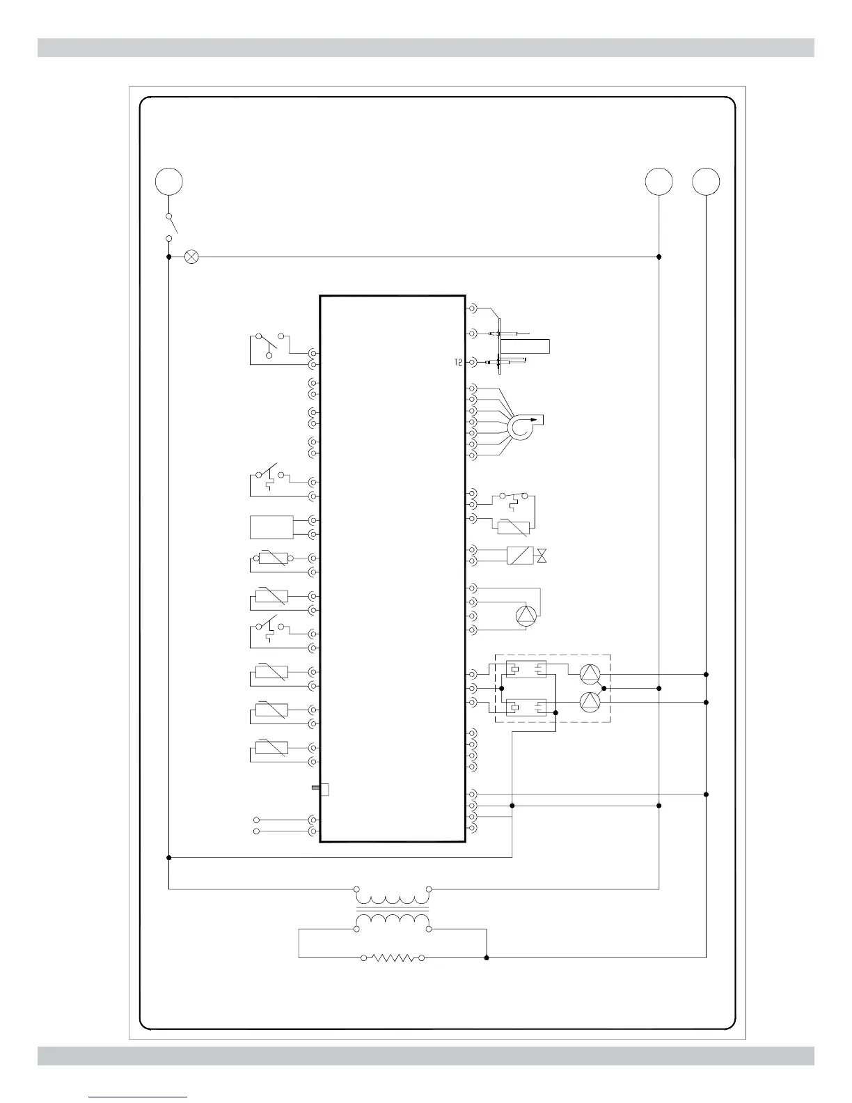
14.2 Schematic Diagram of Ladder Form - 050/075/100/150/200 MBH
14 - WIRING DIAGRAM
LADDER DIAGRAM
LIGHTED
POWER
SWITCH
J5-2
J5-11
J5-3
J5-12
J5-4
J5-13
J5-5
J5-14
J5-6
J5-15
J5-7
J5-16
J5-8
S4
J18-1
J18-2
J16-1
J16-4
J16-8
J16-7
J16-3
J16-2
J12
J13-2
J9-1
J9-2
J9-6
J9-7
J9-5
J9-4
J9-3
J13-5
J13-6
J13-3
J13-4
J7-1
J7-4
J7-3
J7-2
J6-1
J6-3
J6-2
J4-1
J4-2
J4-3
J4-4
J2-1
J2-2
J2-3
J2-4
J13-1
L
G
N
HEAT EXCHANGER
PUMP 120 VAC
GAS VALVE
FAN
120VAC
PE
DC+/L
+
DATA/PWM
HALL
GND
DC-/N
GROUND
FLAME SENSOR
IGNITION
LWCO
CH
THERMOSTAT
USER
INTERFACE
DISPLAY
ARGUS LINK /
MULTI BOILER
(OPTIONAL)
ARGUS LINK
POWER
ON
OFF
SUPPLY
SENSOR
RETURN
SENSOR
DHW
THERMOSTAT
FLUE
SENSOR
OUTDOOR
SENSOR
SYSTEM
SENSOR
(OPTIONAL)
L
L
N
G
NG
ARGUS
CONTROL
J5-9
J5-1
J5-10
J16-5
J16-6
LIMIT
120V / 24V, 15VA
TRANSFORMER
LWCO
24 VAC
12
43
4
2
13
BURNER
G
HEAT EXCHANGER
TEMPERATURE SWITCH
N
L
L
DHW PUMP
120 VAC
CH PUMP
120 VAC
FIELD SUPPLIED REFER TO
ELECTRICAL CONNECTIONS SECTION
N
G
G
L
L
RELAYS
120VAC
L

Related product manuals