EasyManua.ls Logo

Dunkirk DXL-125 - Page 9

Dunkirk DXL-125
32 pages
Print Icon
To Next Page IconTo Next Page
To Next Page IconTo Next Page
To Previous Page IconTo Previous Page
To Previous Page IconTo Previous Page
Loading...
9
BOILER
WATER INLET
ALTERNATE
CIRCULATOR
LOCATION
TO SYSTEM
FROM SYSTEM
CIRCULATOR
SHUT-OFF
VALVE
PRESSURE
REDUCER VALVE
CHECK VALVE
BALL VALVE
3 WAY MIXING
VALVE
AIR SEPARATOR
HOSE BIB
EXPANSION
TANK
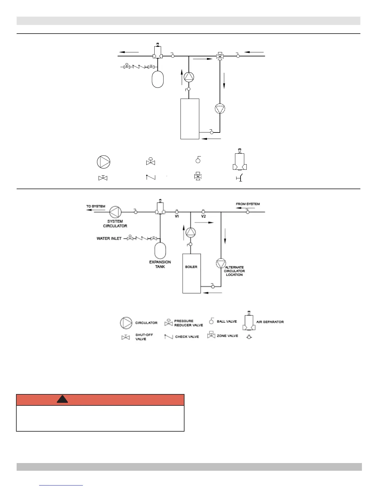
7. Installation using circulators and zone valves are
shown in Figures 7, 8, 9 and 10 Pages 10, and 11. For
further piping information refer to AHRI Installation
and Piping Guide.
8. Install discharge piping from safety relief valve. See
Warning, Page 7.
SUPPLY AND RETURN PIPING
Figure 5 - Bypass Piping Automatic Mixing Valve
Figure 6 - Bypass Piping - Fixed Low Temp Only Manual Mixing Valve
MANUAL MIXING vALVE
MANUAL MIXING VALVE
WARNING
Burn and scald hazard. Safety relief valve could
discharge steam or hot water during operation.
Install discharge piping per these instructions.
!
P/N 240009041, Rev. C [04/30/2017]

Related product manuals