EasyManua.ls Logo

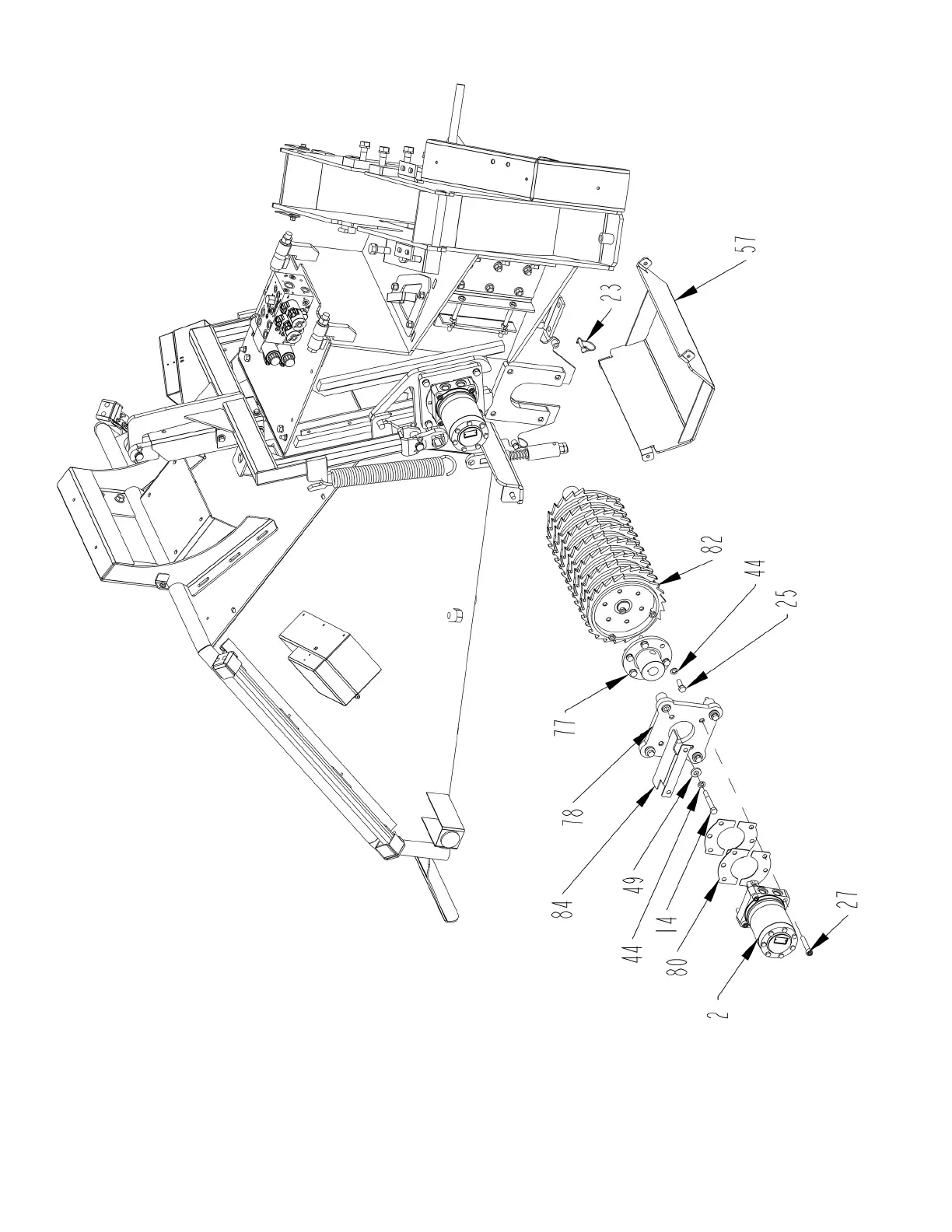
Duratech TC-12 - Infeed Assembly View 3 (for Sn 0044 and Up)

Default Icon
158 pages
Print Icon
To Next Page IconTo Next Page
To Next Page IconTo Next Page
To Previous Page IconTo Previous Page
To Previous Page IconTo Previous Page
Loading...
76
TC-12 Tree Chipper PARTS REFERENCE
INFEED ASSEMBLY VIEW 3 (FOR SN 0044 AND UP)

Table of Contents