EasyManua.ls Logo

Dynacord CMS 1000-3 - CMS mit Variline System

Dynacord CMS 1000-3
92 pages
Print Icon
To Next Page IconTo Next Page
To Next Page IconTo Next Page
To Previous Page IconTo Previous Page
To Previous Page IconTo Previous Page
Loading...
CMS
3
84
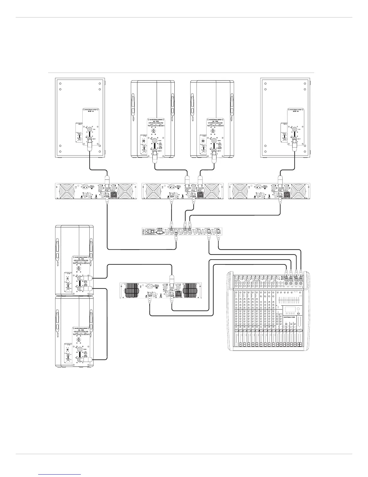
6.6 CMS mit VariLine System
Abbildung 6-6: CMS mit VariLine System (2 x VL 152, 2 x Sub 18, 3 x LX 3000, 1 x DSP 600) als Haupt-PA, zusätzlich 2 x VL 122 und
1 x LX 2200 für die Monitorwege
COMPACT MIXING SYSTEM
CMS 1000
DSP 600
LX 3000 LX 3000
LX 2200
LX 3000

Table of Contents