EasyManua.ls Logo

EACON EC6000 Series - 11 Standard Wiring Diagram; Main Circuit Wiring; Control Circuit Wiring; Wiring Notes and Precautions

EACON EC6000 Series
32 pages
Print Icon
To Next Page IconTo Next Page
To Next Page IconTo Next Page
To Previous Page IconTo Previous Page
To Previous Page IconTo Previous Page
Loading...
- 59 -
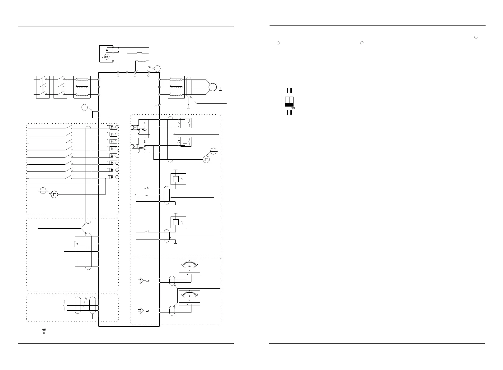
St and ard w iri ng di agr am
EC 600 0
Note1When installing DC reactor, be sure to remove the short connector between terminals
and ;EC6020 and below structure without terminal.
2、No PR terminal for EC6060 and above.
3The internal power supply (24V port) or external power supply (PLC port) can be selected
for S1~S8 port bias voltage, and the factory value 24V port and PLC port are short circuited;
4Port S8 is restricted by function parameter P5-00, which can be used as high-speed pulse
input channel with maximum input frequency of 50KHz;
5Port Y4 is restricted by function parameter P5-32, which can be used as high-speed pulse
input channel with maximum input frequency of 50KHz.
6、SP switch pin corresponding legend:
When the Y3 or Y4 terminals use the +24V voltage of PLC and com, the Sw1
dial switch is down.
The resistance of the communication end is down to connect.
+
1
+
2
+
2
SW1 SW 2
- 58 -
St and ard w iri ng di agr am
EC 600 0
11 .St and ard w iri ng di agr am
External braking
resistor
External
DC reactor
Short
circuit
plate
Note4
EC6000
AC
POWER
INPUT
Circuit
breaker
MCCB
Contactor
MC
Input
reactor
Outp u t
reac t o r
A
N
A
L
O
G
I
N
P
U
T
Grou n d r e s i s tance<1 0 Ω
Shie l d e d c a b le
Close to A C d r i v e
ground t e r m i n al)
D
I
G
I
T
A
L
I
N
P
U
T
Factory short circuit, 24V port
maximum outputDC24V/100mA
Note2
Forward RUN
Reverse RUN
Forward JOG
Reverse JOG
Coast to stop
Fault reset
Frequency up(UP))
Frequency down(DW))
Note:1. The function descriptions in brackets
are the factory value of AC drive;
2. Opticalcoupler isolation, compatible
ambipolarity input;
3. Input impedance: 2.4kO;
4. Voltage range at electrical level input:
9V30V
Shielded twisted pair
Close to AC drive ground terminal
Note1. Maximum output current of 10V port10mA
resistance range of potentiometer1KΩ~5KΩ;
2. Input voltage range of AI1 portDC 0V10V
input impedance22KΩ;
3. A12/AI3 port determines voltage or current
input by P5-00 function parameter, input range:
(0V10V)/(0/4mA20mA);input impedance22KΩ
for voltage input500Ω for current input.
Shielded twisted pair
Close to AC drive ground terminal
Legend1. Symbol represents the main circuit terminal;
2. Symbol represents control circuit terminal.
High-speed
pulse output
Shielded twisted pair
Close to AC drive ground terminal
Coil
Coil
Shielded twisted pair
Close to AC drive ground terminal
Coil
Shielded twisted pair
Close to AC drive ground terminal
Coil
High-speed
pulse input
Note3
Note: The voltage or current output of AO1/AO2
port is determined by P5-32 function parameters,
and the output range is (0V10V)/(0mA20mA).
Note1
Note:Maximum output of Y1/Y2 port: AC250V/3A,
DC24V/5A
Maximum output of Y3/Y4 port: DC24V/50mA.
D
I
G
I
T
A
L
O
U
T
P
U
T
A
N
A
L
O
G
O
U
T
P
U
T
R
R
S
T
R
S
T
- +
1
PR
+
2
U
V
W
U
V
W
M
24V
PLC
S1
S2
S3
S4
S5
S6
S7
S8
COM
10V
AI1
AI2
AI3
GND
AO1
A02
GND
GND
Y3
Y4
YC
PLC
AC200V
ACOV
ACOV
AC200V
Y1A
Y1B
Y1C
Y2A
Y2C
HS
HY
DA(485+)
DB(485-)
GND
Modbus-RTU
MAXIMUM RATE 115200bps
R
S
4
8
5
C
O
M
M
U
N
I
C
A
T
I
O
N
Shielded twisted pair
Close to AC drive ground terminal

Related product manuals