EasyManua.ls Logo

EBARA E-SPD+ MT 2200 - Page 124

EBARA E-SPD+ MT 2200
396 pages
Print Icon
To Next Page IconTo Next Page
To Next Page IconTo Next Page
To Previous Page IconTo Previous Page
To Previous Page IconTo Previous Page
Loading...
124
DE
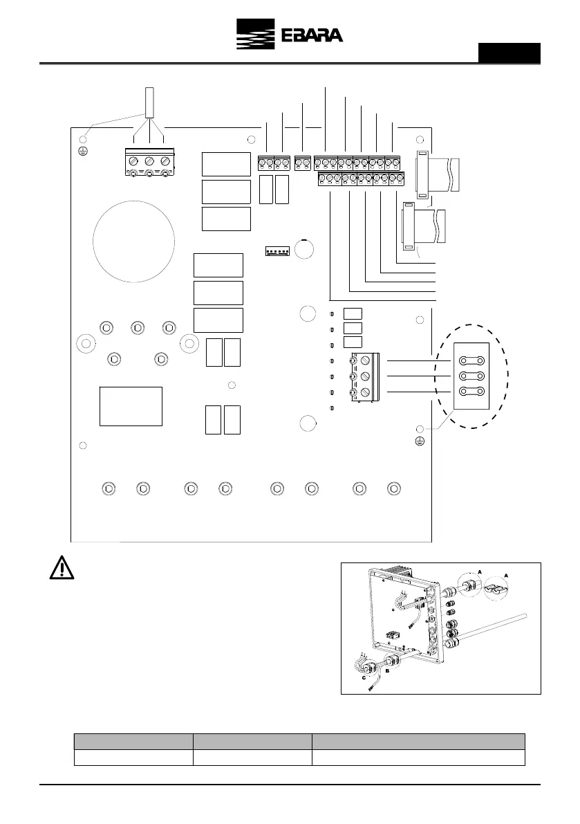
Stromanschlüsse
*Für 400/690V motoren
Es ist notwendig, die Magnetkerne (A, B und C) zu
installieren.
Sie finden sie in der Zubehörbox.
Im Leistungskabel des Frequenzumrichters wird eines außen
so nahe wie möglich an der Kabelverschraubung (A) und ein
weiteres innen (B) installiert, das nur die 3 Phasen ohne Erde
zusammenfasst.
Im Kabel zwischen dem Frequenzumrichter und dem Motor muss
eines installiert werden, das alle Kabel (B) zusammenfasst, und
ein weiteres, das nur die 3 Phasen ohne Erde (C) zusammenfasst.
E-SPD+ TT11000 Drehstrom 400V Dreiphasig 400 Vac (DELTA-Verbindung*)
Modell Energieversorgung Motor
ENERGIEVERSORGUNG-
400Vac 3 ~
LÜFTER
RELAISAUSGANG 2
RELAISAUSGANG 1
FRONTBLENDE
FRONTBLENDE
0-10 V EINGANG
PTC/NTC EINGANG
DRUCKMESSUMFORMER 2
DRUCKMESSUMFORMER 1
RS485-KOMMUNIKATION
DIGITALER EINGANG 1
DIGITALER EINGANG 2
DIGITALER EINGANG 3
DIGITALER EINGANG 4
MODBUS
MOTOR
400/690Vac

Table of Contents

Related product manuals