EasyManua.ls Logo

EBARA E-SPD+ MT 2200 - Collegamenti Elettrici

EBARA E-SPD+ MT 2200
396 pages
Print Icon
To Next Page IconTo Next Page
To Next Page IconTo Next Page
To Previous Page IconTo Previous Page
To Previous Page IconTo Previous Page
Loading...
IT
47
IT
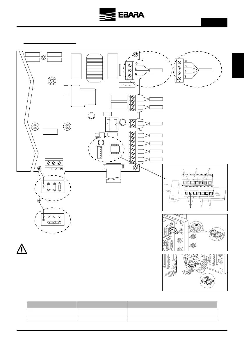
8 - COLLEGAMENTI ELETTRICI
Collegamenti di alimentazione
*Per motori da 230/400 V
B
A
B
A
E-SPD+ TT 4000
È necessario installare un nucleo magnetico (A).
Deve essere fissato:
(MT) e (TT) sul cavo di alimentazione principale dell’inverter, il
più vicino possibile al pressacavo.
(TT) Sul cavo tra inverter e motore, il più vicino possibile al
connettore dell’inverter, fino a quando un CLIC(B) si sente.
E-SPD+ MT2200
E-SPD+ TT4000
Monofase 230 V
Trifase 400 V
Trifase 230 Vac (DELTA connection*)
Trifase 400 Vac (STAR connection*)
Modello Alimentazione Motore
INGRESSO 3
0-10V PTC 4-20mA(2)
INGRESSO 4 MODBUS
MT 2200
TT 4000
MT 2200 TT 4000
ALIMENTAZIONE
ELETTRICA
400VAC 3 ~
ALIMENTAZIONE
ELETTRICA
230VAC 1 ~
USCITA RELÈ 2
USCITA RELÈ 1
VENTOLA
INGRESSO DIGITALE 2
PANNELLO FRONTALE
MOTORE 230/400Vac
MOTORE 230/400Vac
INGRESSO DIGITALE 1
TRASDUTTORE DI PRESSIONE
COMUNICAZIONE RS485
E-SPD+ MT2200
E-SPD+ TT4000

Table of Contents

Related product manuals