EasyManua.ls Logo

EBARA E-SPD+ MT 2200 - Conexiones Electricas

EBARA E-SPD+ MT 2200
396 pages
Print Icon
To Next Page IconTo Next Page
To Next Page IconTo Next Page
To Previous Page IconTo Previous Page
To Previous Page IconTo Previous Page
Loading...
ES
161
ES
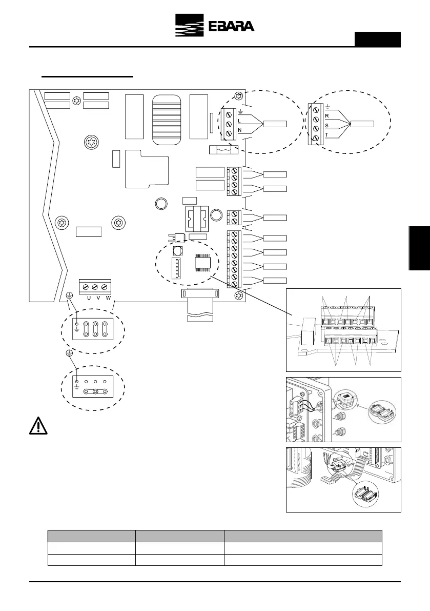
8 - CONEXIONES ELECTRICAS
Conexiones de potencia
*Para motores de 230/400 V
B
A
B
A
E-SPD+ TT 4000
Es necesario instalar un núcleo magnético (A).
Lo encontrará en la caja de accesorios. Debe fijarse en:
(MT) y (TT) en el cable de alimentación principal del variador,
lo más cerca posible del prensaestopas.
(TT) En el cable entre el variador y el motor, lo más cerca
posible del conector del variador, hasta escuchar un CLIC (B).
E-SPD+ MT2200
E-SPD+ TT4000
Monofase 230 V
Trifase 400 V
Trifase 230 Vac (conexión DELTA*)
Trifase 400 Vac (conexión STAR*)
Modelo Alimentación Motor
ENTRADA 3
0-10V PTC 4-20mA(2)
ENTRADA 4 MODBUS
MT 2200
TT 4000
MT 2200 TT 4000
ALIMENTACIÓN
400VAC 3 ~
ALIMENTACIÓN
230VAC 1 ~
SALIDA RELÉ 2
SALIDA RELÉ 1
VENTILADOR
ENTRADA DIGITAL 2
PANEL FRONTAL
MOTOR 230/400Vac
MOTOR 230/400Vac
ENTRADA DIGITAL 1
TRANSDUCTOR DE PRESIÓN
COMUNICACIÓN RS485
E-SPD+ MT2200
E-SPD+ TT4000

Table of Contents

Related product manuals