EasyManua.ls Logo

EBARA E-SPD+ MT 2200 - Page 162

EBARA E-SPD+ MT 2200
396 pages
Print Icon
To Next Page IconTo Next Page
To Next Page IconTo Next Page
To Previous Page IconTo Previous Page
To Previous Page IconTo Previous Page
Loading...
162
ES
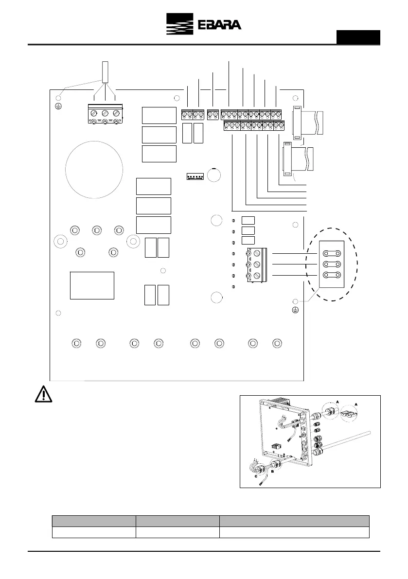
Conexiones de potencia
*Para motores de 400/690 V
Es necesario instalar los núcleos magnéticos (A, B y C).
Los encontrará en la caja de accesorios.
En el cable de alimentación del variador de frecuencia se instalará
uno en el exterior, lo más cerca posible del prensaestopas (A) y
otro en el interior (B) que agrupe sólo las 3 fases sin tierra.
En el cable entre el variador de frecuencia y el motor se debe
instalar uno que agrupe todos los cables (B) y otro que agrupe
solo las 3 fases sin tierra (C).
E-SPD+ TT11000 Trifase 400 V Trifase 400 Vac (conexión DELTA*)
Modelo Alimentación Motor
ALIMENTACIÓN
400Vac 3 ~
VENTILADOR
SALIDA RELÉ 2
SALIDA RELÉ 1
PANEL FRONTAL
PANEL FRONTAL
ENTRADA 0-10V
ENTRADA PTC/NTC
TRANSDUCTOR DE PRESIÓN 2
TRANSDUCTOR DE PRESIÓN 1
COMUNICACIÓN RS485
ENTRADA DIGITAL 1
ENTRADA DIGITAL 2
ENTRADA DIGITAL 3
ENTRADA DIGITAL 4
MODBUS
MOTOR
400/690Vac

Table of Contents

Related product manuals