EasyManua.ls Logo

EBARA E-SPD+ MT 2200 - Connections Electriques

EBARA E-SPD+ MT 2200
396 pages
Print Icon
To Next Page IconTo Next Page
To Next Page IconTo Next Page
To Previous Page IconTo Previous Page
To Previous Page IconTo Previous Page
Loading...
FR
85
FR
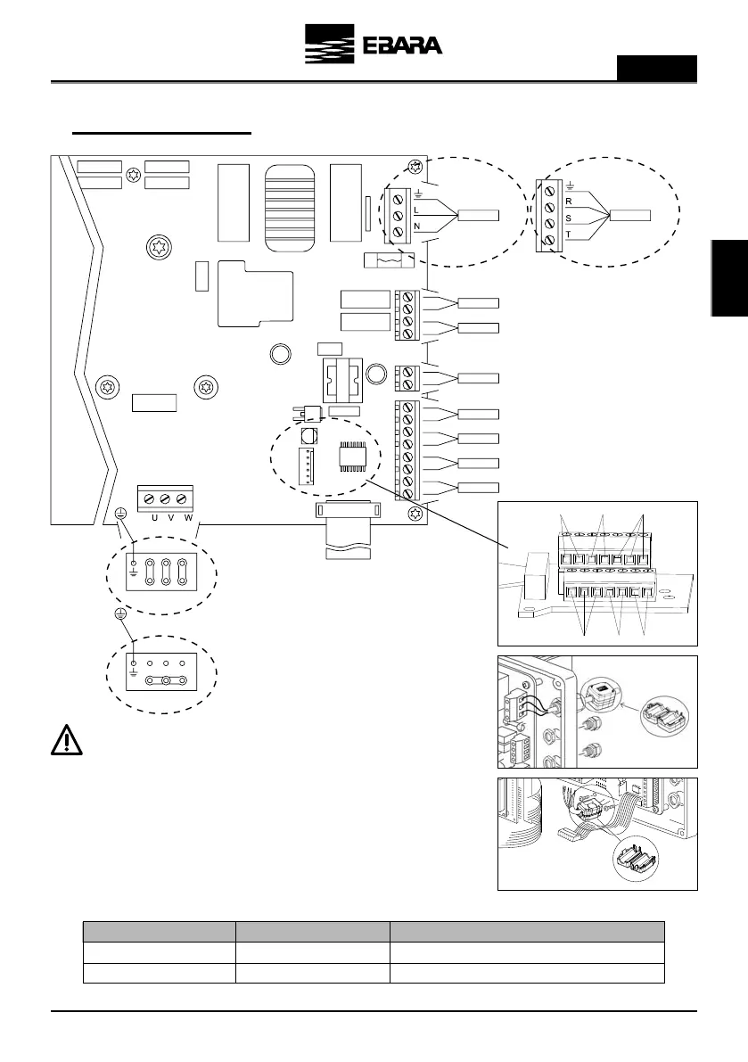
8 - CONNECTIONS ELECTRIQUES
Connexions électriques
*For 230/400 V moteurs
B
A
B
A
E-SPD+ TT 4000
Il est nécessaire d’installer un noyau magnétique (A).
Vous le trouverez dans la boîte d’accessoires.
Il doit être fixé à:
(MT) et (TT) sur le câble d’alimentation principal du variateur,
au plus près du presse-étoupe.
(TT) Sur le câble entre variateur et moteur, au plus près du
connecteur du variateur, jusqu’à ce qu’un CLIC(B) est entendu.
E-SPD+ MT2200
E-SPD+ TT4000
Monophasée 230 V
Triphasée 400 V
Triphasée 230 Vac (Raccordement DELTA*)
Triphasée 400 Vac (Raccordement STAR*)
Modèle Source de courant Moteur
ENTREE 3
0-10V PTC 4-20mA(2)
ENTREE 4 MODBUS
MT 2200
TT 4000
MT 2200 TT 4000
SOURCE DE
COURANT
400VAC 3 ~
SOURCE DE
COURANT
230VAC 1 ~
SORTIE RELAIS 2
SORTIE RELAIS 1
VENTILATEUR
ENTRÉE NUMÉRIQUE 2
PANNEAU AVANT
MOTEUR 230/400Vac
MOTEUR 230/400Vac
ENTRÉE NUMÉRIQUE 1
TRANSDUCTEUR DE PRESSION
COMMUNICATION RS485
E-SPD+ MT2200
E-SPD+ TT4000

Table of Contents

Related product manuals