EasyManua.ls Logo

EBARA E-SPD+ MT 2200 - Page 86

EBARA E-SPD+ MT 2200
396 pages
Print Icon
To Next Page IconTo Next Page
To Next Page IconTo Next Page
To Previous Page IconTo Previous Page
To Previous Page IconTo Previous Page
Loading...
86
FR
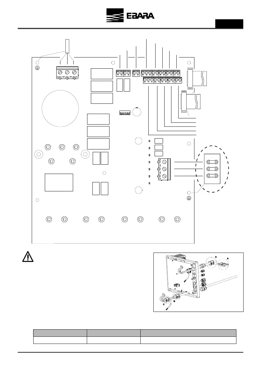
Connexions électriques
*For 400/690 V moteurs
Il est nécessaire d’installer les noyaux magnétiques (A,
B et C).
Vous les trouverez dans la boîte d’accessoires.
Dans le câble d’alimentation du convertisseur de fréquence, un
sera installé à l’extérieur, aussi près que possible du presse-
étoupe (A) et un autre à l’intérieur (B) qui regroupe uniquement
les 3 phases sans terre.
Dans le câble entre le convertisseur de fréquence et le moteur, il
faut en installer un qui regroupe tous les câbles (B) et un autre
qui regroupe uniquement les 3 phases sans la terre (C).
E-SPD+ TT11000 Triphasée 400 V Triphasée 400 Vac (Raccordement DELTA*)
Modèle Source de courant Moteur
SOURCE DE COURANT
400Vac 3 ~
VENTILATEUR
SORTIE RELAIS 2
SORTIE RELAIS 1
PANNEAU AVANT
PANNEAU AVANT
ENTRÉE 0-10V
ENTRÉE PTC/NTC
TRANSDUCTEUR DE PRESSION 2
TRANSDUCTEUR DE PRESSION 1
COMMUNICATION RS485
ENTRÉE NUMÉRIQUE 1
ENTRÉE NUMÉRIQUE 2
ENTRÉE NUMÉRIQUE 3
ENTRÉE NUMÉRIQUE 4
MODBUS
MOTEUR
400/690Vac

Table of Contents

Related product manuals