EasyManua.ls Logo

EBARA E-SPD+ MT 2200 - Page 48

EBARA E-SPD+ MT 2200
396 pages
Print Icon
To Next Page IconTo Next Page
To Next Page IconTo Next Page
To Previous Page IconTo Previous Page
To Previous Page IconTo Previous Page
Loading...
48
IT
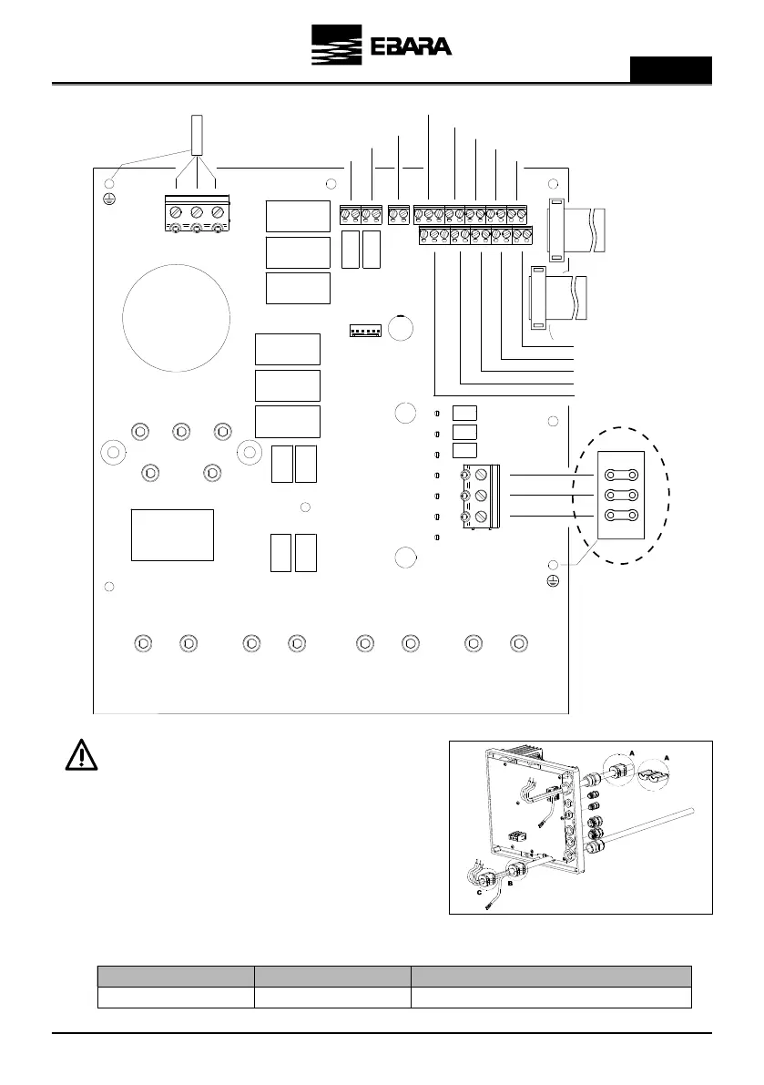
Collegamenti di alimentazione
*Per motori da 400/690 V
È necessario installare i nuclei magnetici (A, B e C).
Li troverete nella scatola degli accessori.
Nel cavo di alimentazione del convertitore di frequenza, uno sarà
installato all’esterno, il più vicino possibile al pressacavo (A) e
un altro all’interno (B) che raggruppa solo i 3 fasi senza terra.
Nel cavo tra convertitore di frequenza e motore deve essere
installato uno che raggruppi tutti i cavi (B) e un altro che
raggruppi solo le 3 fasi senza terra (C).
E-SPD+ TT11000 Trifase 400 V Trifase 400 Vac (
Collegamento
DELTA*)
Modello Alimentazione Motore
ALIMENTAZIONE ELETTRICA
400Vac 3 ~
VENTOLA
USCITA RELÈ 2
USCITA RELÈ 1
PANNELLO FRONTALE
PANNELLO FRONTALE
INGRESSO 0-10V
INGRESSO PTC/NTC
TRASDUTTORE DI PRESSIONE 2
TRASDUTTORE DI PRESSIONE 1
COMUNICAZIONE RS485
INGRESSO DIGITALE 1
INGRESSO DIGITALE 2
INGRESSO DIGITALE 3
INGRESSO DIGITALE 4
MODBUS
MOTORE
400/690Vac

Table of Contents

Related product manuals