EasyManua.ls Logo

EBARA E-SPD+ MT 2200 - Page 200

EBARA E-SPD+ MT 2200
396 pages
Print Icon
To Next Page IconTo Next Page
To Next Page IconTo Next Page
To Previous Page IconTo Previous Page
To Previous Page IconTo Previous Page
Loading...
200
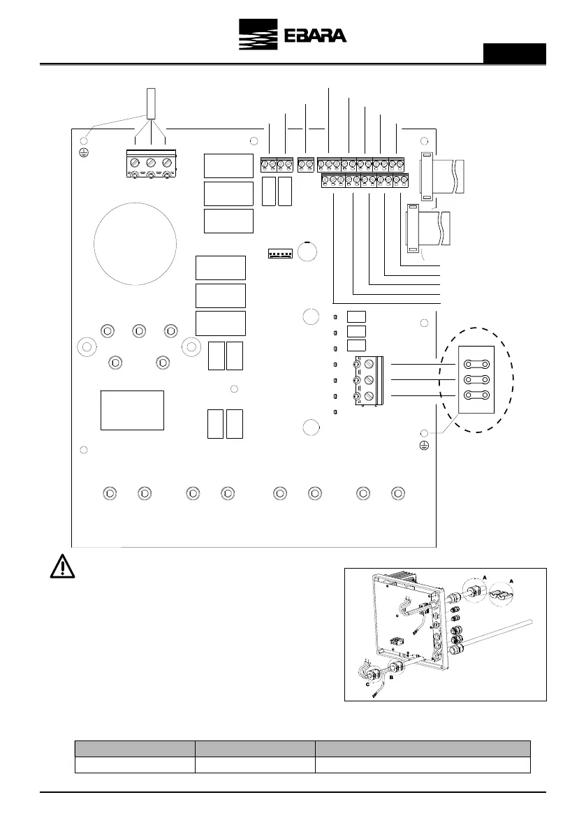
NL
Stroomaansluitingen
*Voor 400/690V motoren
Het is noodzakelijk om de magnetische kernen (A, B en
C) te installeren.
Je vindt ze in de accessoiredoos.
In de voedingskabel van de frequentieomvormer wordt er
een aan de buitenkant geïnstalleerd, zo dicht mogelijk bij de
kabelwartel (A) en een andere aan de binnenkant (B) die alleen
de 3 fasen zonder aarde groepeert.
In de kabel tussen de frequentieomvormer en de motor moet er
een worden geïnstalleerd die alle kabels groepeert (B) en een
andere die alleen de 3 fasen groepeert zonder aarde (C).
E-SPD+ TT11000 Driefasige 400V Driefasige 400Vac (DELTA-aansluiting*)
Model Stroomvoorziening Motor
STROOMVOORZIENING
400Vac 3 ~
VENTILATOR
RELAISUITGANG 2
RELAISUITGANG 1
VOORPANEEL
VOORPANEEL
0-10V INGANG
PTC/NTC INGANG
DRUK TRANSDUCER 2
DRUK TRANSDUCER 1
RS485 COMMUNICATIE
DIGITALE INGANG 1
DIGITALE INGANG 2
DIGITALE INGANG 3
DIGITALE INGANG 4
MODBUS
MOTOR
400/690Vac

Table of Contents

Related product manuals