EasyManua.ls Logo

EBARA E-SPD+ MT 2200 - Page 314

EBARA E-SPD+ MT 2200
396 pages
Print Icon
To Next Page IconTo Next Page
To Next Page IconTo Next Page
To Previous Page IconTo Previous Page
To Previous Page IconTo Previous Page
Loading...
314
RU
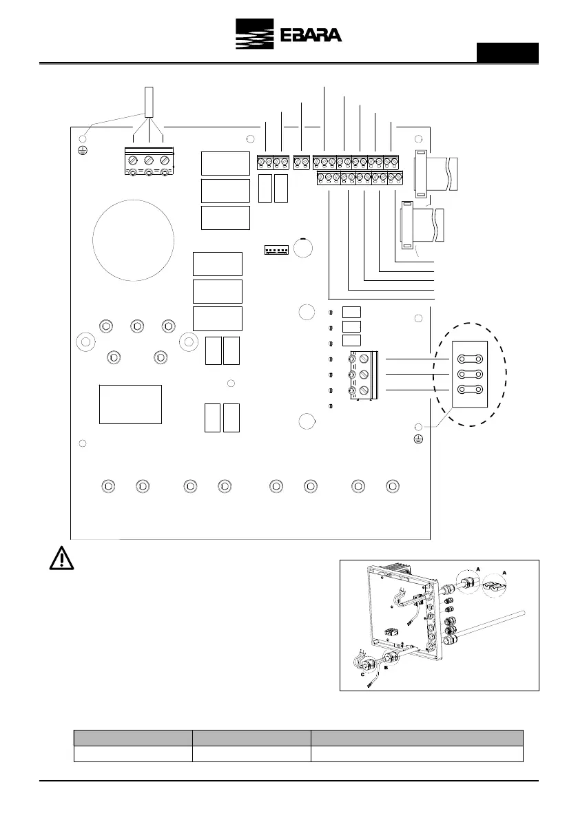
Силовые соединения
*Для двигателей 400/690 В
Необходимо установить магнитопроводы (А,
В и С).
Вы найдете их в коробке с аксессуарами.
В силовом кабеле преобразователя частоты один
будет установлен снаружи, как можно ближе к
кабельному вводу (A), а другойвнутри (B), который
объединяет только 3 фазы без заземления.
В кабеле между преобразователем частоты
и двигателем должен быть установлен один,
объединяющий все
кабели (B), и другой,
объединяющий только 3 фазы без заземления (C).
E-SPD+ TT11000 Трехфазный 400В
Трехфазный 400 В переменного тока (соединение треугольником*)
Model Модель Источник питания Мотор
ИСТОЧНИК ПИТАНИЯ
400Vac 3 ~
ВОЗДУШНЫЙ ВЕНТИЛЯТОР
РЕЛЕЙНЫЙ ВЫХОД 2
РЕЛЕЙНЫЙ ВЫХОД 1
ПЕРЕДНЯЯ ПАНЕЛЬ
ПЕРЕДНЯЯ ПАНЕЛЬ
0-10В ВХОД
ВХОД PTC/NTC
ДАТЧИК ДАВЛЕНИЯ 2
ДАТЧИК ДАВЛЕНИЯ 1
СВЯЗЬ RS485
ЦИФРОВОЙ ВХОД 1
ЦИФРОВОЙ ВХОД 2
ЦИФРОВОЙ ВХОД 3
ЦИФРОВОЙ ВХОД 4
МОДБУС
МОТОР
400/690Vac

Table of Contents

Related product manuals