EasyManua.ls Logo

EBARA E-SPD+ MT 2200 - Page 352

EBARA E-SPD+ MT 2200
396 pages
Print Icon
To Next Page IconTo Next Page
To Next Page IconTo Next Page
To Previous Page IconTo Previous Page
To Previous Page IconTo Previous Page
Loading...
352
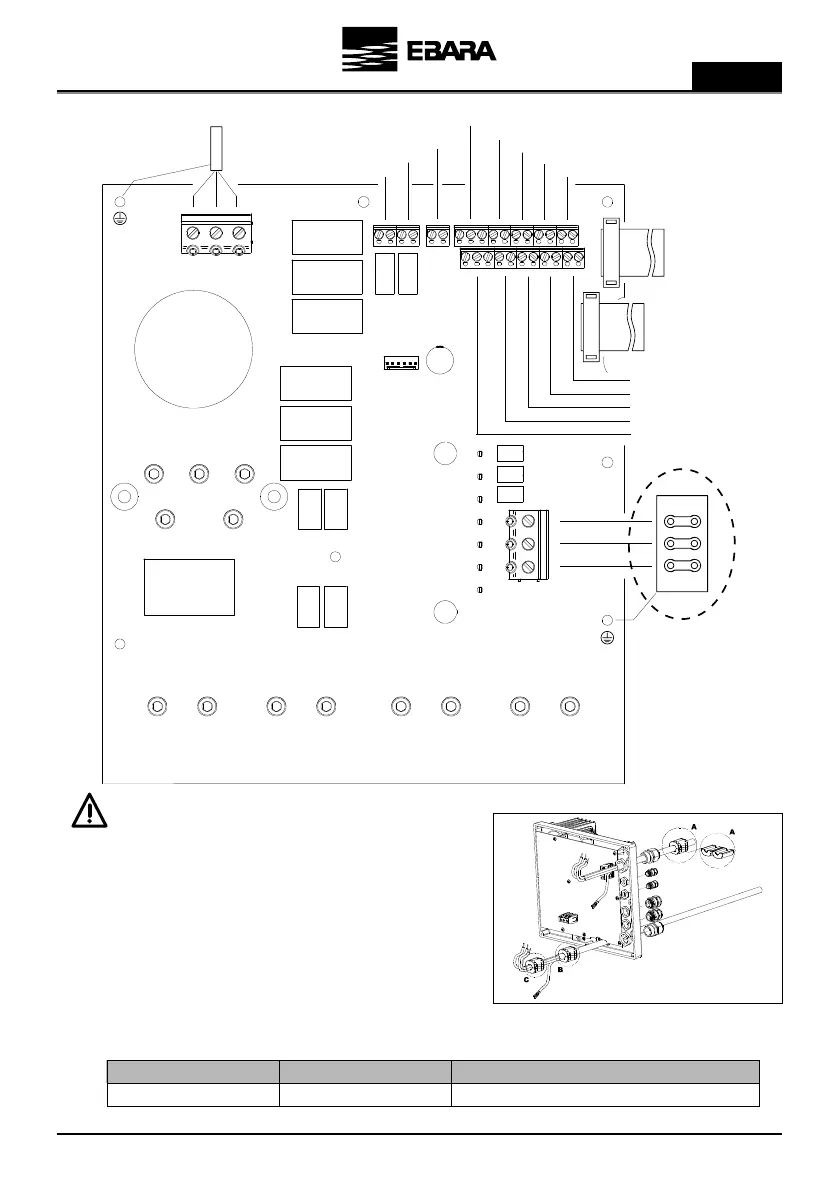
SV
Strömanslutningar
*För 400/690V motorer
Det är nödvändigt att installera de magnetiska kärnorna
(A, B och C).
Du hittar dem i tillbehörslådan.
I frekvensomformarens strömkabel kommer en att installeras
på utsidan, så nära kabelgenomföringen (A) som möjligt och
en annan på insidan (B) som endast grupperar de 3 faserna
utan jord.
I kabeln mellan frekvensomformaren och motorn ska en
installeras som grupperar alla kablar (B) och en annan som bara
grupperar de 3 faserna utan jord (C).
E-SPD+ TT11000 Trefas 400V Trefas 400Vac (DELTA-anslutning*)
Modell Strömförsörjning Motor
STRÖMFÖRSÖRJNING
400Vac 3 ~
LUFTFLÄKT
RELÄUTGÅNG 2
RELÄUTGÅNG 1
FRONTPANEL
FRONTPANEL
0-10V INGÅNG
PTC/NTC INPUT
TRYCKGIVARE 2
TRYCKGIVARE 1
RS485 KOMMUNIKATION
DIGITAL INGÅNG 1
DIGITAL INPUT 2
DIGITAL INGÅNG 3
DIGITAL INGÅNG 4
MODBUS
MOTOR
400/690Vac

Table of Contents

Related product manuals