EasyManua.ls Logo

EBARA ESA200W - Page 44

EBARA ESA200W
92 pages
Print Icon
To Next Page IconTo Next Page
To Next Page IconTo Next Page
To Previous Page IconTo Previous Page
To Previous Page IconTo Previous Page
Loading...
P.25
PM10U
EBARA
CORPORATION
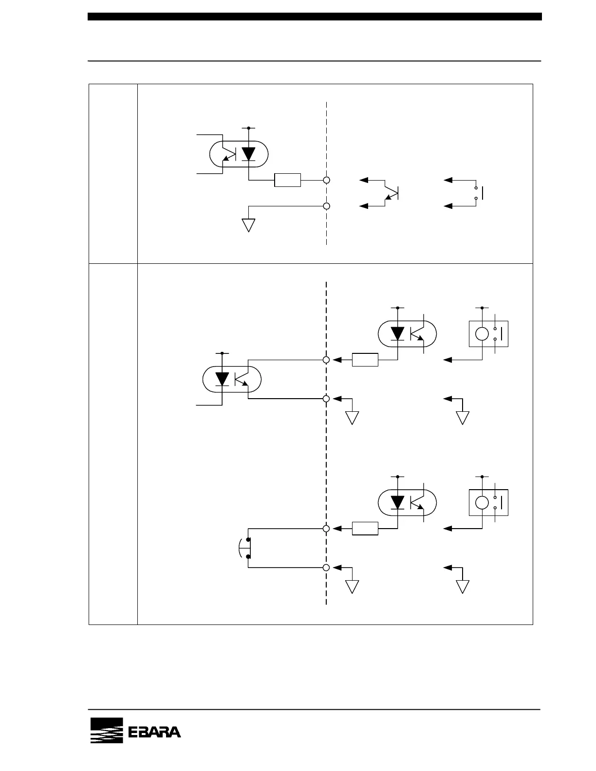
Table 4.7 CN-Z & CN-Y Signal Contacts
Input
Signal
12VDC
1kΩ
Open Collector
Pump side Circuit Customer's connection
Dry Contact
10mA Min.
Output
Signal
100mA Max.
Pump side Circuit
Customer's connection
Open Collector
4VDC-27VDC
EMO
Dry Contact
100mA Max.
4VDC-27VDC

Related product manuals