EasyManua.ls Logo

EBARA ESA200W - Page 51

EBARA ESA200W
92 pages
Print Icon
To Next Page IconTo Next Page
To Next Page IconTo Next Page
To Previous Page IconTo Previous Page
To Previous Page IconTo Previous Page
Loading...
P.32
PM10U
EBARA
CORPORATION
Current
ENTER
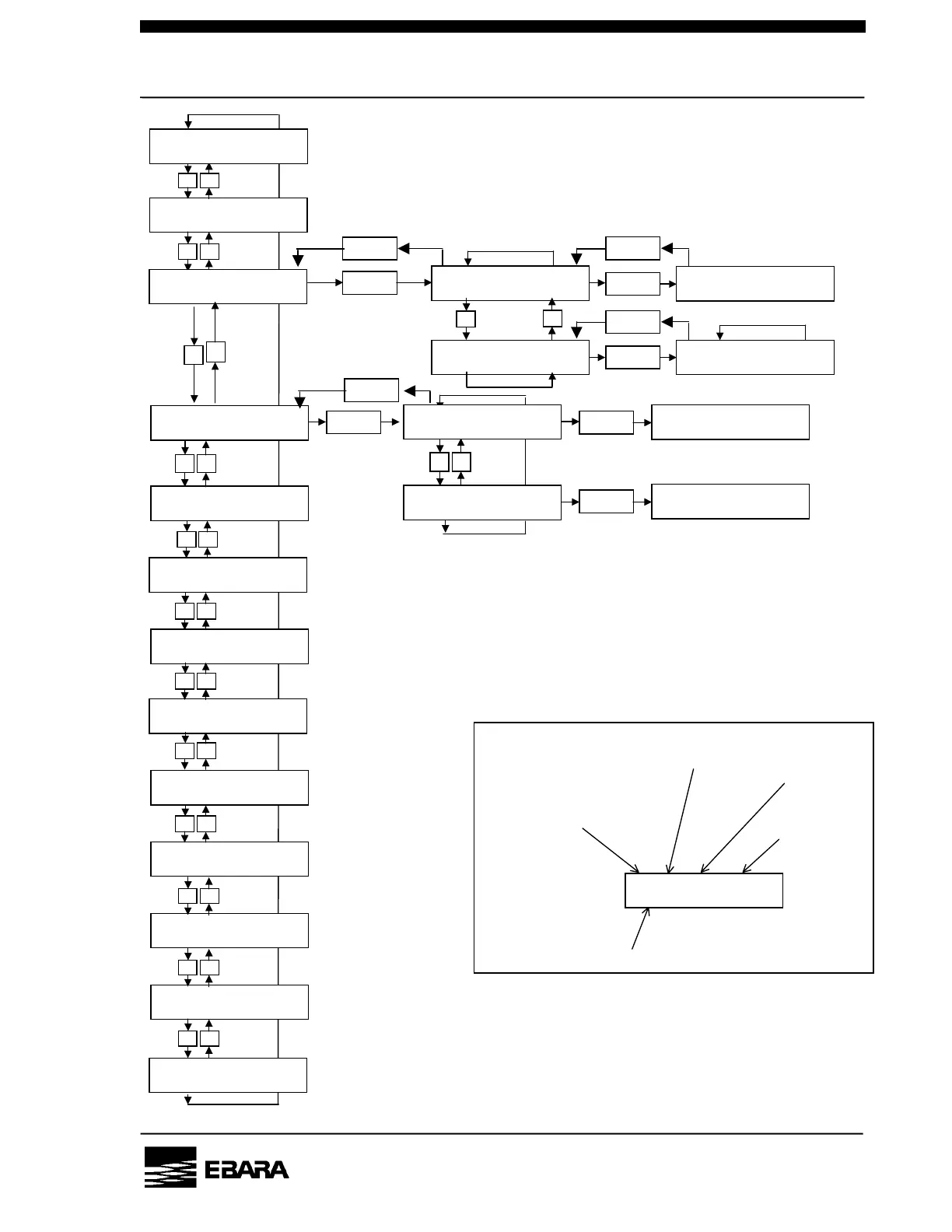
Control mode: LOCAL, REMOTE, COM
Pump operational mode: NORMAL(rated), S. ENERGY (energy-saving)
A
larm histor
y
(
Indication of histor
y)
Pump unit No.
Total operation time
Back pressure (option)
Pump N2 gas flow
Cooling water flo
w
Pump casing temperature
Motor speed
002 51 00 ####
020901 12 : 25 : 26
Occurrence date
History No.
(The lower number. is newer.)
A
nalog value
A
larm 2nd code
A
larm 1st code
How to read the alarm histor
y
See Table 6.2 for the alarm codes.
ENTER
001 06 00 ####
020901 122321
Displayed during ENTRY key pushed
ENTER
002 51 00 ####
020901 122526
Displayed during ENTRY key pushed
WARNINGBP MOTOR
TEMPHIGH
A
LARMCASING
TEMPHIGH
UNIT NO
&&&&&&&&
OPETIME
#### h
BACK PRESSURE
### kPa
PUMP N2 FLOW
### Pam3/s
WATER FLOW
### L/min
CASING TEMP
### °C
CONTROLLOCAL
MODENORMAL
A
LARM/WARNING
HISTORY
BP: ##.# A
MP: ##.# A
BP SPEED
# # k min-1
Fig. 6.2 Key operation for the pump operation status
display screen
PUMP RUNNING
HISTORY
ENTER
ENTER
001MP START
070101 12:00:00
ENTER
BP START/STOP
HISTORY
MP START/STOP
HISTORY
PRG.
PRG.
001BP STOP
070101 12:00:00
PRG.
Running history
(
Indication of histor
y)
PUMP TYPE ### V
ESA###
PUMP Type
Voltage
PRG.
Heater temperature (option)
HT 1:### 2:###
°C 3:### 4:###

Related product manuals