EasyManua.ls Logo

EBARA EV-S100 - Page 14

EBARA EV-S100
113 pages
Print Icon
To Next Page IconTo Next Page
To Next Page IconTo Next Page
To Previous Page IconTo Previous Page
To Previous Page IconTo Previous Page
Loading...
xii
E
POWER SUPPLY
3φ3W 200VAC 50Hz
3φ3W 200-220VAC 50/60Hz
[ DVP401 ]
E
E
CP
R S T
B1
[ UL1077 ]
A B
C
E
[ MP MOTOR DRIVER ]
LCD controller
RESET
U V W
M
E
[ DVP414]
(CN_1)
3
1
MP
MOTOR
THRMO
+12V
BP
MOTOR
THRMO
X1
CPU
CPU
R S T
(CN_8)
2
1
(CN_8) (CN_9)
1 2 1 2
[ DVP402 ]
User side
Pump side
(CN_A)
E
[ BP MOTOR DRIVER ]
CPUCPU
NOIZE
FILTER
(MP-TH) (BP-TH)
1 3 1 3
RS485 communication
R S T
(CN_1)
2
1
(CN_11) 1 2
U V W
M
E
[ INT ERLOCK BOARD ]
(EXT.IL)
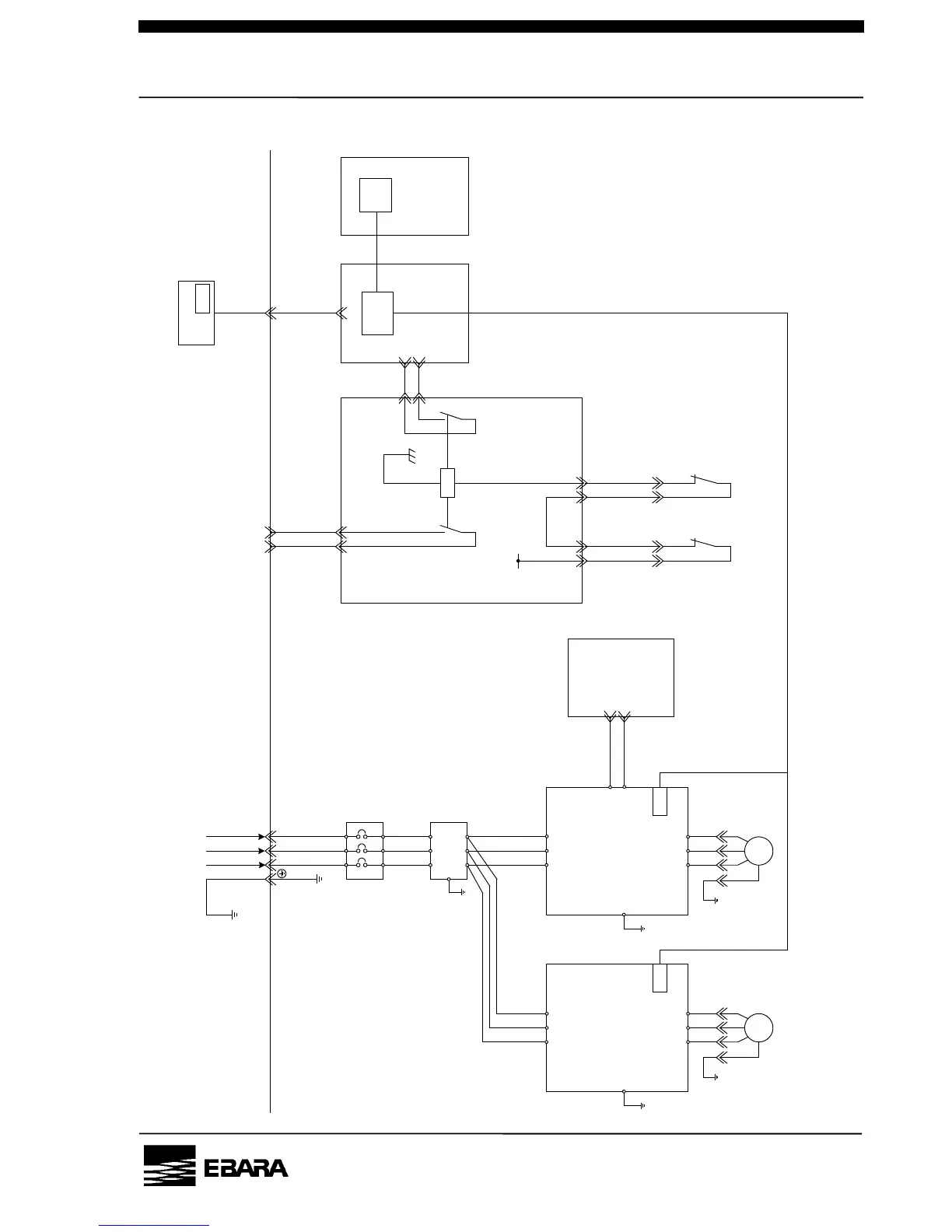
Interlock Schematic (MODEL EV-S50/ EV-S100/ EV-S200)
PM10U
EBARA
CORPORATION

Table of Contents

Related product manuals