EasyManua.ls Logo

Echo BEAR CAT EGI-2000 - Page 48

Echo BEAR CAT EGI-2000
82 pages
Print Icon
To Next Page IconTo Next Page
To Next Page IconTo Next Page
To Previous Page IconTo Previous Page
To Previous Page IconTo Previous Page
Loading...
35
• 60Hz, 120V Sans prise en parallèle
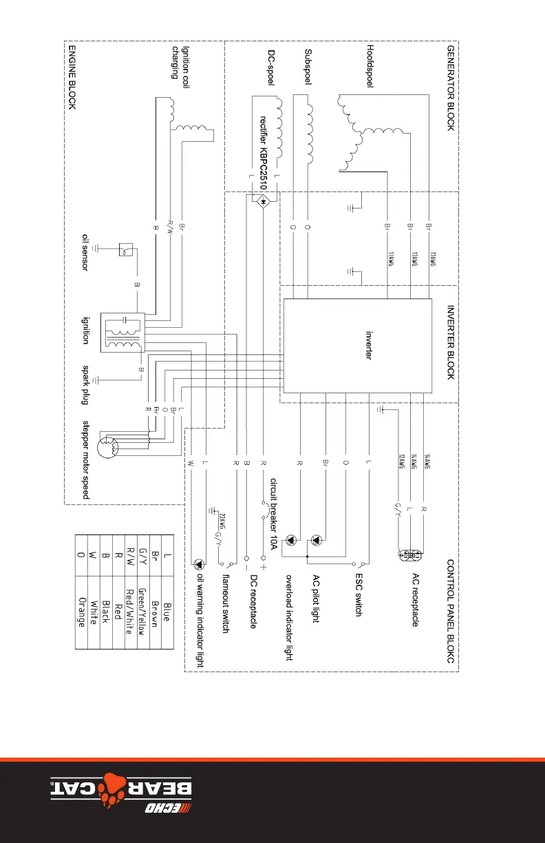
Schéma de câblage
schéma dE câblaGE

Related product manuals