EasyManua.ls Logo

Ecoer EAHAEC-36 - 4.5 Refrigerant Cycle Diagrams

Ecoer EAHAEC-36
157 pages
Print Icon
To Next Page IconTo Next Page
To Next Page IconTo Next Page
To Previous Page IconTo Previous Page
To Previous Page IconTo Previous Page
Loading...
28/157
SDi Decades Extreme Service Manual www.ecoer.com
May. 2023Manufacturer reserves the right to change specifications or designs without notice.
Model No.
Pipe Size(Diameter:ø)
mm(inch)
Piping length(m/ft)
Elevation(m/ft)
Additional Refrigerant
Gas
Liquid
Rated
Max.
Rated
Max.
36K
19(3/4)
9.52(3/8)
7.5/24.6
65/213
0
30/98.4
65g/m(0.69oz/ft)
60K
22(7/8)
9.52(3/8)
7.5/24.6
65/213
0
30/98.4
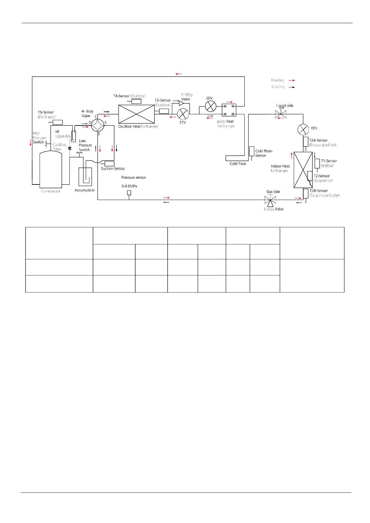
4.5 Refrigerant Cycle Diagrams

Related product manuals