EasyManua.ls Logo

Ecoer EAHAEC-36 - 6.3 Re-Installation; 6.3.1 Indoor Unit

Ecoer EAHAEC-36
157 pages
Print Icon
To Next Page IconTo Next Page
To Next Page IconTo Next Page
To Previous Page IconTo Previous Page
To Previous Page IconTo Previous Page
Loading...
63/157
SDi Decades Extreme Service Manual www.ecoer.com
May. 2023Manufacturer reserves the right to change specifications or designs without notice.
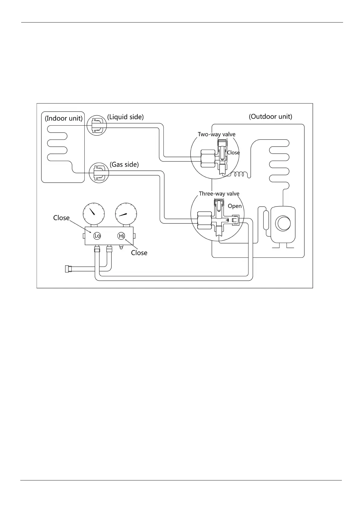
6.3.1 Indoor Unit
Collecting the refrigerant into the outdoor unit
Procedure:
1. Confirm that the 2- and 3-way valves are opened.
2. Connect the charge hose with the push pin of Handle Lo to the 3-way valve’s gas service port.
3. Open the Handle Lo manifold valve to purge air from the charge hose for 5 seconds and then close it quickly.
4. Close the 2-way valve.
5. Operate the air conditioner in cooling mode. Cease operations when the gauge reaches 0.1 MPa (14.5 Psi).
6. Close the 3-way valve so that the gauge rests between 0.3 MPa (43.5 Psi) and 0.5 MPa (72.5 Psi).
7. Disconnect the charge set and mount the caps of service port and 2- and 3-way valves.
8. Use a torque wrench to tighten the caps to a torque of 18 N.m.
9. Check for gas leakage.
6.3 Re-Installation