EasyManua.ls Logo

Ecotechnics VA500 - Page 43

Default Icon
48 pages
Print Icon
To Next Page IconTo Next Page
To Next Page IconTo Next Page
To Previous Page IconTo Previous Page
To Previous Page IconTo Previous Page
Loading...
The data, information and descriptions, and the technology described herein are the exclusive intellectual property of Ecotechnics S.p.A. and constitute industrial
secrets. Said information is communicated in strict confidentiality; said information may be used only for the purpose for which it is communicated; said information
may not be divulged, communicated, or revealed to third parties and/or reproduced by any means for any reason whatsoever; said information is protected under
applicable Italian competition and industrial property law.
Service manual VA500-VA750 ed.1 ver.5.05 [MANU360.SA0].doc pag.43 - 18/10/2005
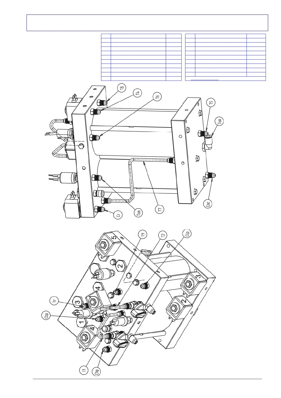
REF. ITEM CODE REF. ITEM CODE
T1 Low pressure bypass TUBX031 Clp Manifold - low pressure manometer TUB1000.01
T2 High pressure bypass TUBX032 Chp Manifold - high pressure manometer TUB1000.01
T3 Condenser - high pressure filter TUBK060 Cbp Manifold - bottle pressure manometer TUB1000.01
T4 Evaporator - low pressure filter TUBK030 Tr Manifold - refrigerant bottle TUB1110
T5 Manifold heater - condenser TUBK030 Cr Refilling bypass TUB1000.01
T6 High pressure filter - manifold [copper] TUBX011 Ton Manifold - new oil container TUBK060
T7 Oil separator - manifold heater TUBK020 Coc Manifold - oil compressor reintegration TUB1000.01
T8 Manifold - vacuum pump TUBK045 Csv Bottle 3rd fitting - safety valve (*) TUB1000.01
T9 Compressor - oil separator TUBK060 Tuo Manifold - used oil container TUB1251
T10 Low pressure filter – compressor TUBK045 (*) ONLY MODEL XK360
PIPING

Table of Contents

Related product manuals