EasyManua.ls Logo

Edgetech 3200-XS - Page 63

Edgetech 3200-XS
74 pages
Print Icon
To Next Page IconTo Next Page
To Next Page IconTo Next Page
To Previous Page IconTo Previous Page
To Previous Page IconTo Previous Page
Loading...
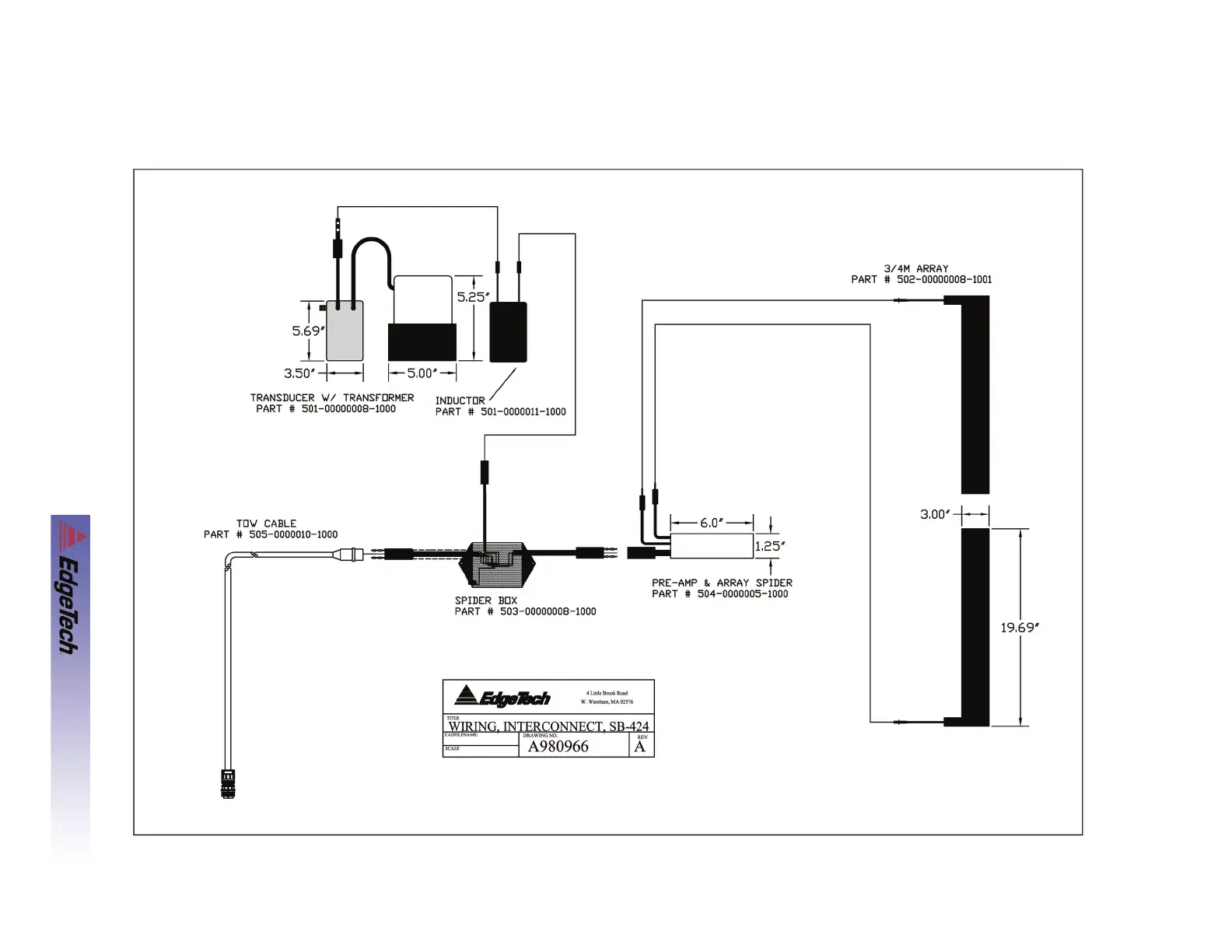
Wiring and Connector Pinout Drawings 4-15

Table of Contents

Other manuals for Edgetech 3200-XS

Related product manuals